FREE REPAIR MANUALS & LABOR GUIDES 1982-2013 Vehicles
Courtesy of Operation CHARM: Car repair manuals for everyone.

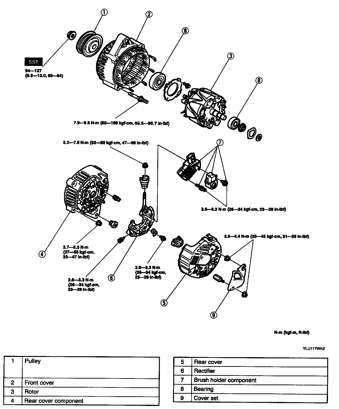
Disassembly/Assembly




1. Disassemble in the order indicated in the table.
2. Inspect all parts and repair or replace as necessary.
3. Assemble in the reverse order of disassembly.

Pulley Removal Note
1. Fit SST (1-A) onto the pulley shaft.




2. Secure SST (1-A) and screw SST (1-B) onto it.




3. Tighten SST (1-B) to secure SST (1-A) onto the pulley shaft.

Tightening torque (reaction torque of SST 1-A)
53.9 N.m {5.50 kgf.m, 39.8 ft.lbf}

4. Secure SST (2) in a vise by its straight edges.




5. With SST (1-A and B) installed, fit the pulley locknut of the generator into the SST (2).




6. Turn SST (1-A) in the generator rotation direction to loosen the pulley locknut.
7. Remove the generator from SST (2).
8. Secure SST (1-A) and loosen SST (1-B). Remove SST (1-A and B).
9. Remove the pulley locknut and pulley.

Pulley Installation Note
Install in the reverse order of removal.