FREE REPAIR MANUALS & LABOR GUIDES 1982-2013 Vehicles
Courtesy of Operation CHARM
:
Car repair manuals for everyone.
Home
>>
Mazda
>>
2000
>>
Millenia V6-2.5L DOHC
>>
Repair and Diagnosis
>>
Powertrain Management
>>
Emission Control Systems
>>
Service and Repair
Emission Control Systems: Service and Repair
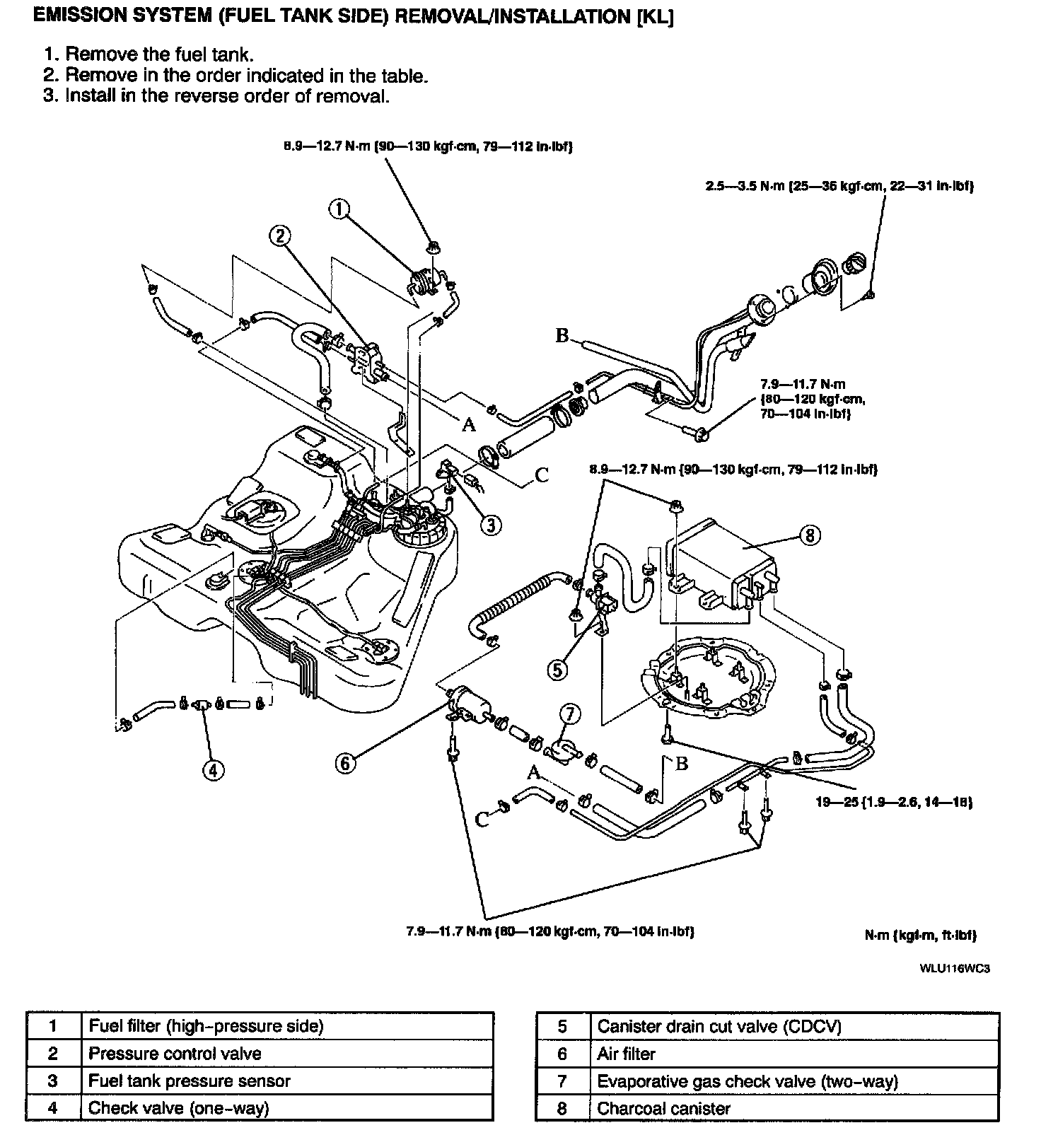
Emission System (Fuel Tank Side) Removal/Installation: