FREE REPAIR MANUALS & LABOR GUIDES 1982-2013 Vehicles
Courtesy of Operation CHARM
:
Car repair manuals for everyone.
Home
>>
Mazda
>>
2000
>>
Millenia V6-2.5L DOHC
>>
Repair and Diagnosis
>>
Diagrams
>>
Exploded Views
>>
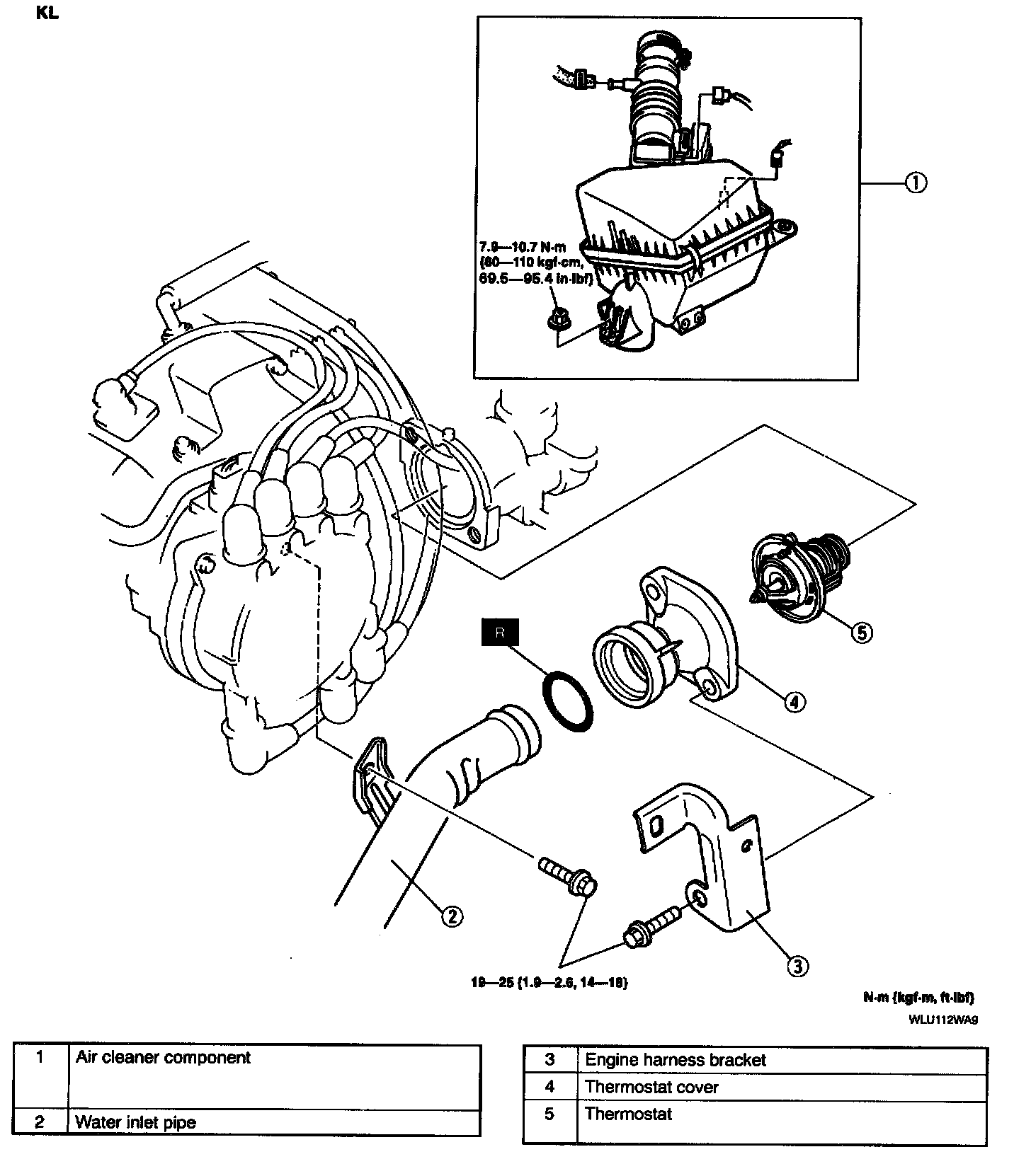
Thermostat, Engine Cooling
Thermostat, Engine Cooling