FREE REPAIR MANUALS & LABOR GUIDES 1982-2013 Vehicles
Courtesy of Operation CHARM: Car repair manuals for everyone.

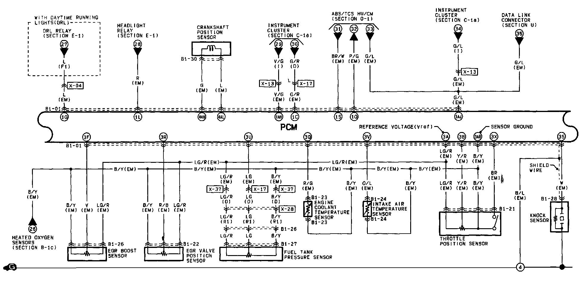
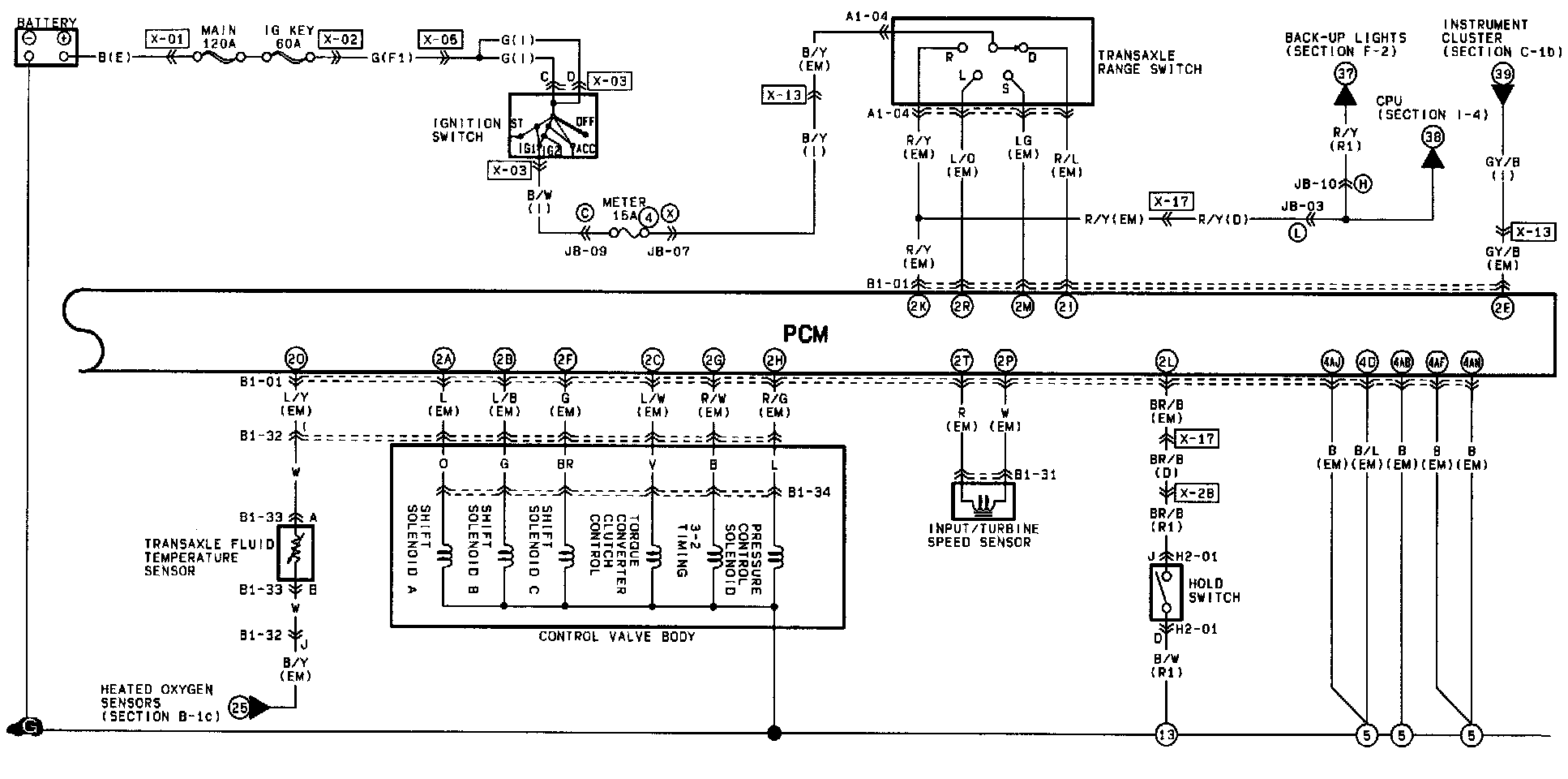
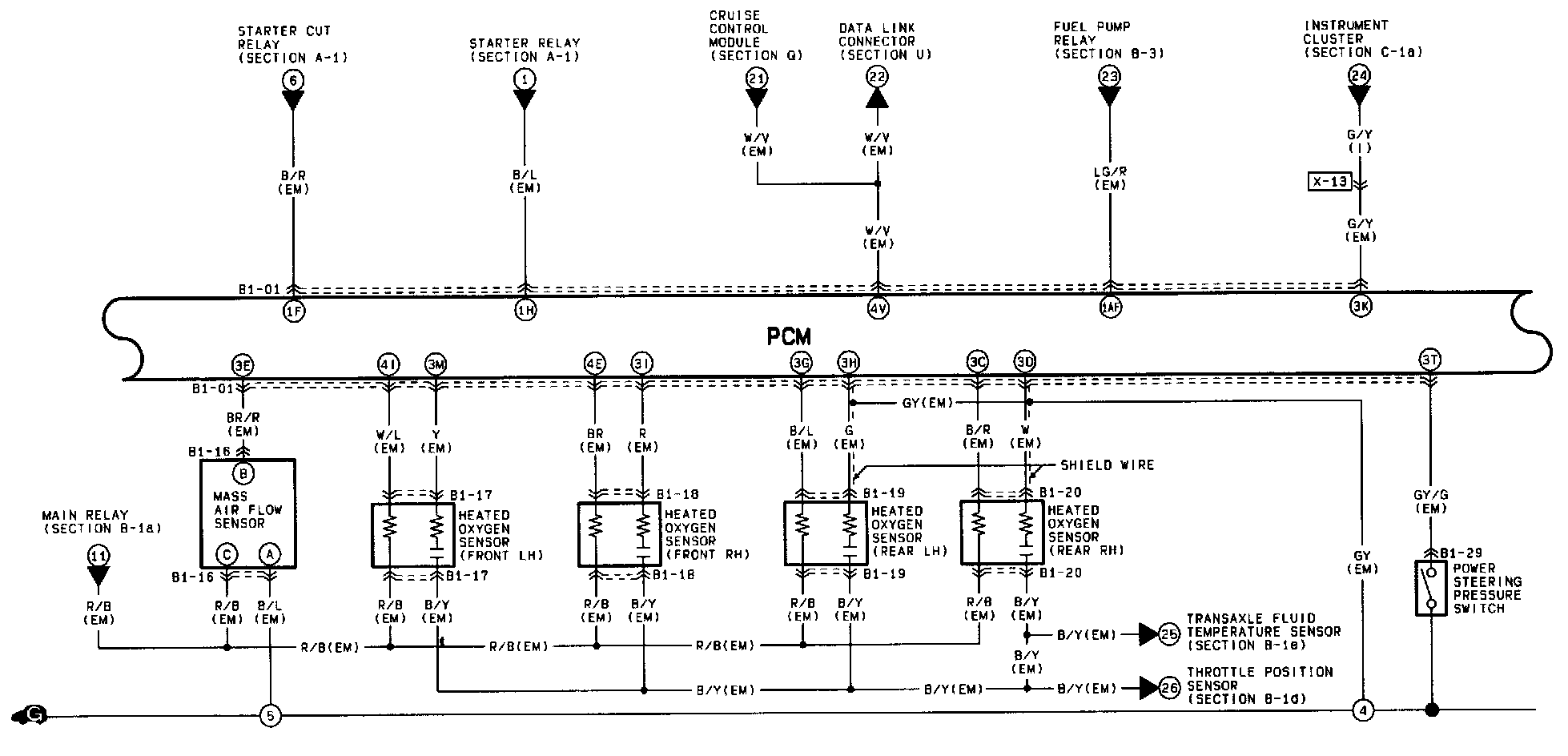
EC-AT Control System

B-1a EC-AT Control System/Engine Control System:




B-1b EC-AT Control System/Engine Control System:




B-1c EC-AT Control System/Engine Control System:




B-1d EC-AT Control System/Engine Control System:




B-1e EC-AT Control System/Engine Control System:





Electrical Diagram

















Connector Views

















Connector Locations

REFERENCED DIAGRAMS

In many instances electrical diagrams will refer you to another section to complete the circuit. These referenced sections can be found at vehicle level under "Diagrams." Diagrams