FREE REPAIR MANUALS & LABOR GUIDES 1982-2013 Vehicles
Courtesy of Operation CHARM
:
Car repair manuals for everyone.
Home
>>
Mazda
>>
2000
>>
626 LX L4-2.0L DOHC
>>
Repair and Diagnosis
>>
Specifications
>>
Mechanical Specifications
>>
Engine
>>
Timing Components
>>
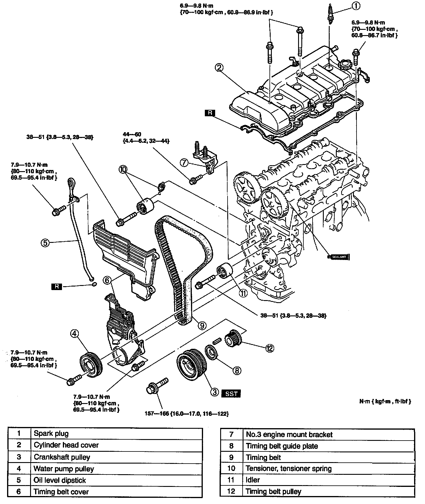
System Specifications
System Specifications
Timing Components: