FREE REPAIR MANUALS & LABOR GUIDES 1982-2013 Vehicles
Courtesy of Operation CHARM: Car repair manuals for everyone.

Ignition Cable: Service and Repair

REMOVAL

CAUTION:
- Pulling on the wire part of the high-tension lead may break it. To remove the leads, pull only on the plug cap.
- Do not use tools when removing or Installing the high-tension leads. Doing so may scratch or damage the insulation of the leads, which may cause a short circuit.
- Incorrect installation can damage the leads and cause power loss, and negatively affect the electronic components. Make a note of the installation position and spacing of the high-tension leads before removing them.




1. Disconnect the negative battery cable.
2. Remove the high-tension leads.

INSTALLATION

CAUTION: The high-tension leads must be reinstalled to their original positions. Incorrect installation can damage the leads and cause power loss, and negatively effect the electronic components.







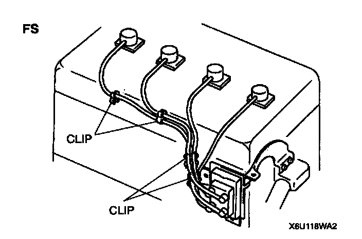
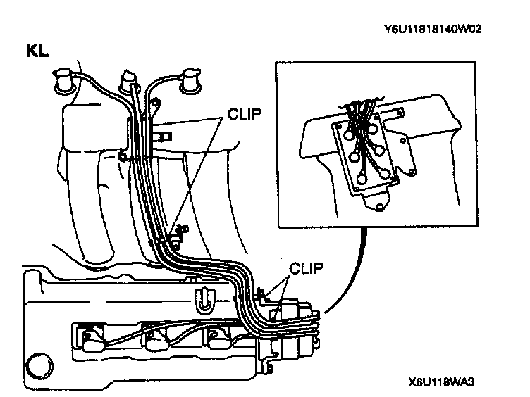
1. Install the high-tension leads as shown.

NOTE: Install the ignition coil high-tension leads in the center of the ignition coil lead holes as shown in the figure. (KL)

2. Make sure the high-tension leads do not interfere with metal parts.

CAUTION: Incorrect Installation can damage the leads and cause power loss, and negatively affect the electronic components. Make sure the high-tension leads are free of tension when installing the clips to the leads.

3. Install the clip.