FREE REPAIR MANUALS & LABOR GUIDES 1982-2013 Vehicles
Courtesy of Operation CHARM: Car repair manuals for everyone.

Engine Disassembly / Assembly

ENGINE DISASSEMBLY / ASSEMBLY

TIMING BELT DISASSEMBLY / ASSEMBLY

Timing Components:





1. Disassemble in the order indicated in the table.
2. Assemble in the reverse order of disassembly.

CYLINDER HEAD COVER DISASSEMBLY NOTE





- Loosen the cylinder head cover bolts in two or three steps in the order shown.

CRANKSHAFT PULLEY DISASSEMBLY NOTE





- Hold the crankshaft by using the SST.

TIMING BELT DISASSEMBLY NOTE





1. Turn the crankshaft clockwise and align the timing marks as shown.





CAUTION: The following will damage the belt and shorten its life; forcefully twisting it, turning it inside out, or allowing oil or grease on it.

2. Mark the timing belt rotation on the belt for proper installation.
3. Turn the tensioner clockwise by using an Allen wrench.





4. Disconnect the tensioner spring from the hook pin.

TIMING BELT ASSEMBLY NOTE





1. Turn the crankshaft clockwise and align the timing marks as shown.
2. Turn the tensioner clockwise by using an Allen wrench.
3. Install the timing belt.





4. Connect the tensioner to the hook pin.
5. Turn the crankshaft clockwise twice, and align the timing marks. If they are not aligned, remove the timing belt and repeat from Timing Belt Assembly Note step 1.

CRANKSHAFT PULLEY ASSEMBLY NOTE





- Hold the crankshaft by using the SST.

CYLINDER HEAD COVER ASSEMBLY NOTE





1. Apply silicone sealant to the shaded areas of the cylinder head as shown.
2. Verify that the grooves on the cylinder head cover are free of oil, water and other foreign material.





3. Install the cylinder head cover bolts and tighten them in two or three steps in the order shown.

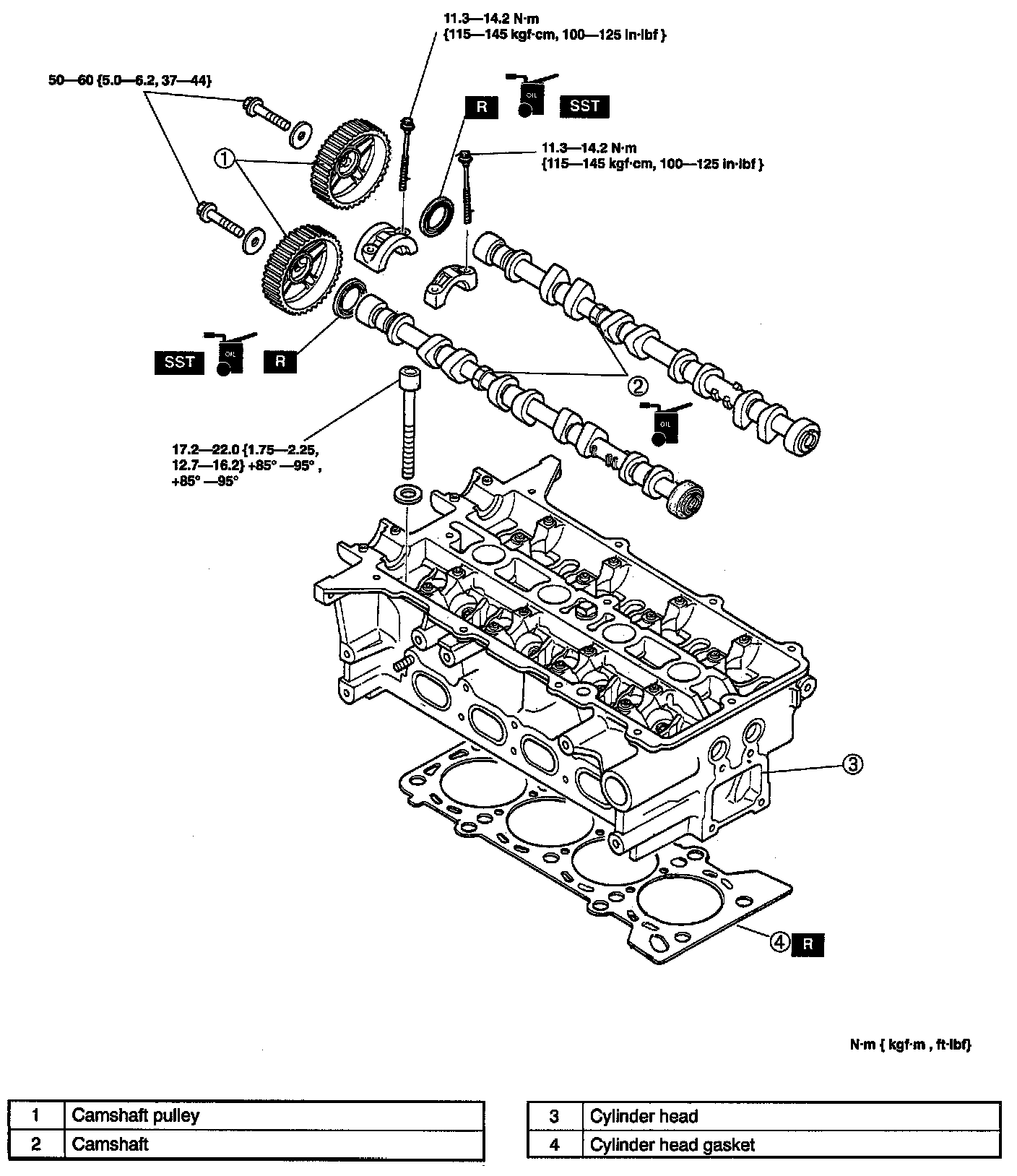
CYLINDER HEAD DISASSEMBLY / ASSEMBLY (1)

Upper Engine:





1. Disassemble in the order indicated in the table.
2. Assemble in the reverse order of disassembly.

CAMSHAFT PULLEY DISASSEMBLY NOTE





- Hold the camshaft by using a suitable wrench on the cast hexagon as shown.

CAMSHAFT DISASSEMBLY NOTE
1. Inspect the camshaft end play.





2. Loosen the camshaft cap bolts in two or three steps in the order shown.

CYLINDER HEAD DISASSEMBLY NOTE





- Loosen the cylinder head bolts in two or three steps in the order shown.

CYLINDER HEAD ASSEMBLY NOTE
1. Inspect the cylinder head bolts.





2. Tighten the cylinder head bolts in two or three steps in the order shown.

Tightening torque: 17.2 - 22.0 Nm (1.75 - 2.25 kgs.cm, 12.7 - 16.2 ft. lbs.)





3. Make point marks on the bolt heads, as shown.
4. With the paint marks as a reference point, tighten the cylinder head bolts another 85° - 95° in the tightening order.

5. Then tighten them once again 85° - 95° in the tightening order.

CAMSHAFT ASSEMBLY NOTE

CAUTION: Because there is little camshaft thrust clearance, the camshaft must be held horizontally while it is installed. Otherwise, excessive force will be applied to the thrust area, causing burr on the thrust receiving area of the cylinder head journal. To avoid this, the following procedure must be observed.





1. Assemble camshaft onto the cylinder head, facing the cam noses at No.1 and No.3 cylinders as shown.





2. Apply silicone sealant to the shaded areas as shown.
3. Hand tighten the camshaft cap bolts marked 5, 7, 2, and 4.





4. Install the camshaft cap bolts and tighten them in two or three steps in the order shown.
5. Apply clean engine oil to the new oil seal.
6. Push the oil seal slightly in by hand.





7. Tap the oil seal into the cylinder head by using the SST and a hammer.

CAMSHAFT PULLEY ASSEMBLY NOTE

Alignment Marks:





1. Install the camshaft pulleys, positioning the dowel pins as shown.





2. Hold the camshaft by using a suitable wrench on the cast hexagon as shown.

CYLINDER HEAD DISASSEMBLY / ASSEMBLY (11)





1. Disassemble in the order indicated in the table.
2. Assemble in the reverse order of disassembly.

VALVE KEEPER DISASSEMBLY NOTE





- Remove the valve keeper by using the SST.

VALVE SEAL DISASSEMBLY NOTE





- Remove the valve seal by using the SST.

VALVE SEAL ASSEMBLY NOTE





1. Assemble the SST so that depth L is as specified.

Depth L: 14.8 - 15.4 mm (0.5 - 0.60 inch)

2. Press the valve seal onto the valve guide by hand.





3. Tap the SST by using a plastic hammer until its lower end touches the cylinder head.

VALVE SPRING ASSEMBLY NOTE





- Install the valve spring with the closer pitch toward the cylinder head.

VALVE KEEPER ASSEMBLY NOTE





- Install the valve keeper by using the SST.

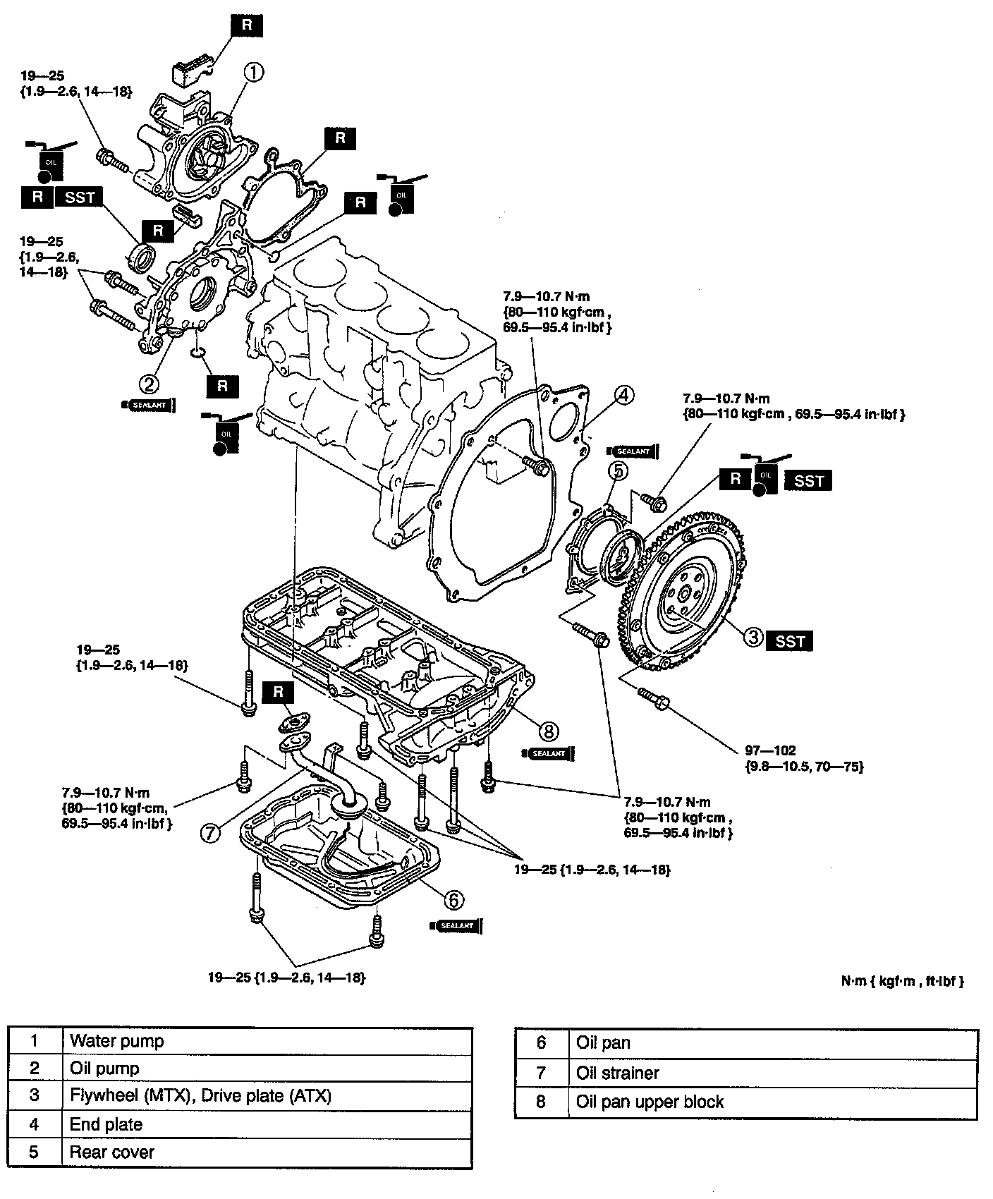
CYLINDER BLOCK DISASSEMBLY / ASSEMBLY (1)





1. Disassemble in the order indicated in the table.
2. Assemble in the order of disassembly.

OIL PUMP DISASSEMBLY NOTE





- Remove the front oil seal by using a screwdriver protected with a rag.

FLYWHEEL (MTX), DRIVE PLATE (ATX) DISASSEMBLY NOTE





- Hold the crankshaft by using SST.

REAR COVER DISASSEMBLY NOTE





- Remove the rear oil seal by using a screwdriver Protected with a ran.

OIL PAN DISASSEMBLY NOTE
1. Remove the oil pan mounting bolts.

CAUTION: Do not force a prying tool between the oil pan upper block and the oil pan which may damage the contact surfaces.

2. Remove the sealant from the bolt threads.





3. Screw an oil pan bolt into the weld nut to make a small gap between the oil pan upper block and the oil pan.





4. Remove the oil pan by using the separator tool.

OIL PAN UPPER BLOCK DISASSEMBLY NOTE
1. Remove the two bolts at the rear of the cylinder block.





2. Loosen the oil pan upper block bolts in two or three steps in the order shown.





3. Remove the oil pan upper block by using the separator tool.

OIL PAN UPPER BLOCK ASSEMBLY NOTE





1. Apply silicone sealant to the oil pan upper block as shown.

Thickness: (2.0 - 3.0 mm (0.08 - 0.11 inch)

2. Install the oil pan upper block.
3. Tighten the two bolts at the rear of the cylinder block.





4. Tighten the oil pan upper block bolts in two or three steps in the order shown.

OIL STRAINER ASSEMBLY NOTE





- Install the oil strainer gasket as shown.

OIL PAN ASSEMBLY NOTE





- Apply silicone sealant to the oil pan as shown.

Thickness: 2.0 - 3.0 mm (0.08 - 0.11 inch)

REAR COVER ASSEMBLY NOTE
1. Apply clean engine oil to the oil seal.
2. Push the oil seal slightly in by hand.





3. Press the oil seal in evenly by using the SST.





4. Apply silicone sealant to the rear cover as shown.

Thickness: (1.0 - 2.0 mm (0.04 - 0.07 inch)

FLYWHEEL (MTX), DRIVE PLATE (ATX) ASSEMBLY NOTE





- Hold the crankshaft by using the SST.

OIL PUMP ASSEMBLY NOTE
1. Apply clean engine oil to the oil seal.
2. Push the oil seal slightly in by hand.





3. Press the oil seal in evenly by using the SST.





4. Apply silicone sealant to the oil pump as shown.

Thickness: (1.0 - 2.0 mm (0.04 - 0.07 inch)

CYLINDER BLOCK DISASSEMBLY / ASSEMBLY (II)

Lower Engine:





1. Disassemble in the order indicated in the table.
2. Assemble in the reverse order of disassembly.

CONNECTING ROD CAP DISASSEMBLY NOTE
- Inspect the connecting rod side clearance.

PISTON AND CONNECTING ROD DISASSEMBLY NOTE
1. Inspect the piston and connecting rod.





2. Assemble the SST as shown.





3. Insert SST No. 2 into the piston pin as shown and fully screw in SST No. 1.





4. Set the piston and connecting rod on the SST as shown.
5. Press out the piston pin.

MAIN BEARING CAP DISASSEMBLY NOTE
1. Inspect the crankshaft end play.





2. Loosen the main bearing cap bolts in two or three steps in the order shown.

MAIN BEARING CAP ASSEMBLY NOTE
1. Inspect the main bearing cap bolts.

Main bearing cap bolt inspection
^ Measure the length of each main bearing cap bolt, Replace as necessary.
Standard length67.7--68.3 mm {2.666-2.688 in}
Maximum length69.0 mm {2.717 in}










2. Tighten the bolts in the order shown.
3. Put a paint mark on each bolt head.





4. Using the mark as a reference, tighten the bolts by turning each 85° - 95° in the sequence shown.

PISTON AND CONNECTING ROD ASSEMBLY NOTE





1. Assemble the SST as shown.





2. Insert SST No.2 into the piston pin as shown and fully screw in SST No.1.





3. Set the SST (stopper bolt) so that dimension L is as specified.

Dimension L: 59.0 mm (2.32 inch)

4. Apply clean engine oil to the piston pin.





5. Insert the piston pin and the SST assembled in step 2 into the piston and connecting rod.





6. Press the piston pin into the piston and connecting rod until the SST (guide) contacts the SST (stopper bolt).
7. While inserting the piston pin, check the pressure force. If it is less than the specification, replace the piston pin or the connecting rod.

Pressure force: 4.91 - 4.70 km (500 - 1500 kgs, 1100 - 3300 lbs.)

8. Verify that the second ring is installed with the scraper face downward.





9. Position the end gap of the oil ring as shown.





10. F mark is facing the front of the engine.
11. Inspect the connecting cap bolts.





12. Install the connecting rod caps with the knock pins and the alignment marks aligned.
13. Tighten the bolts in two or three steps.

Tighten Torque: 22.1 - 26.9 Nm (2.25 - 2.75 kgs.cm, 16.3 - 19.8 ft. lbs.)

14. Put a paint mark on each bolt head.





15. Using the mark as a reference, tighten the bolts by turning each 85° - 95°.