FREE REPAIR MANUALS & LABOR GUIDES 1982-2013 Vehicles
Courtesy of Operation CHARM: Car repair manuals for everyone.

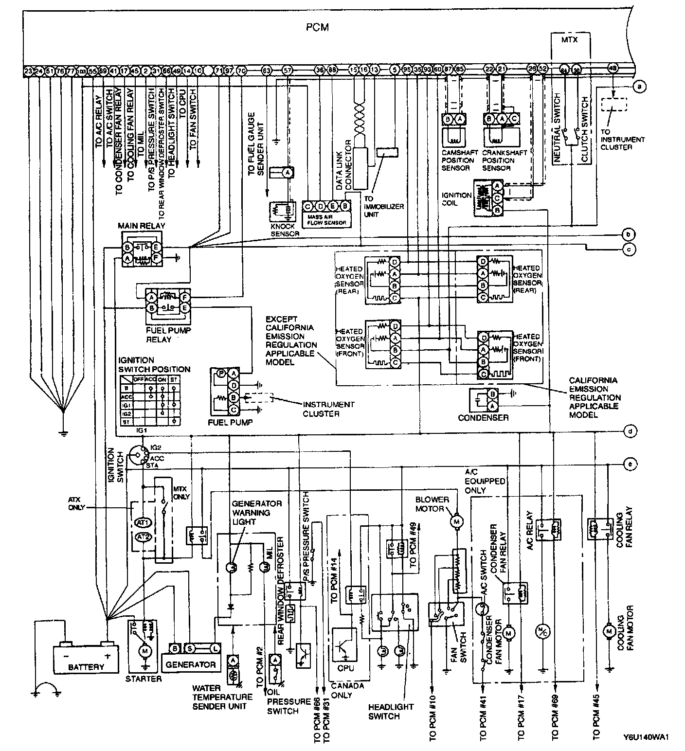
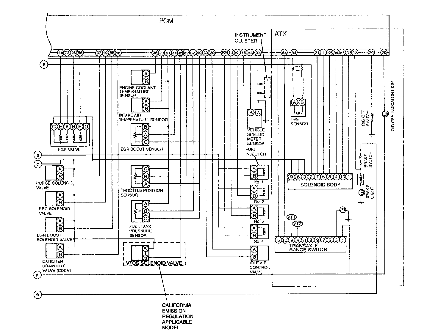
Control System

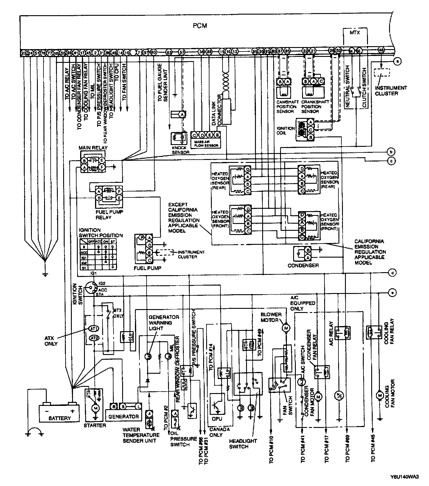
With Immobilizer System (Part 1 Of 2):



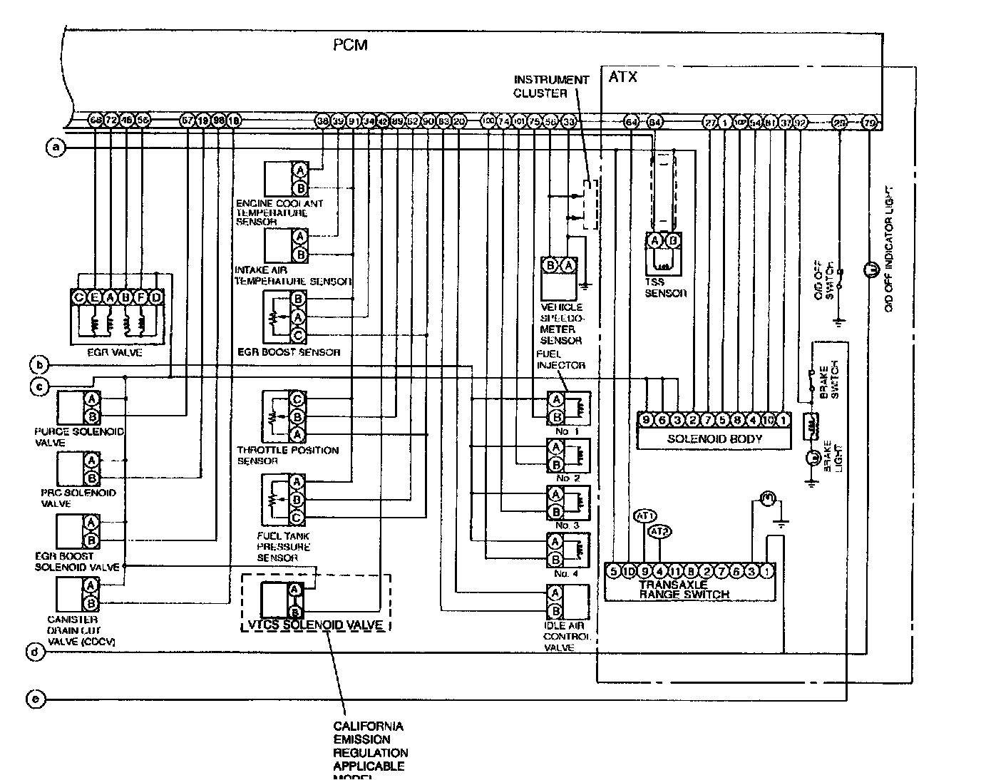
With Immobilizer System (Part 2 Of 2):



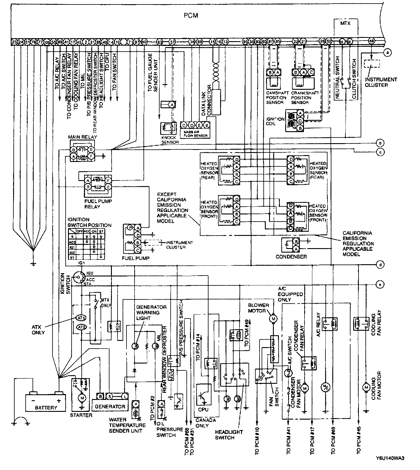
Without Immobilizer System (Part 1 Of 2):



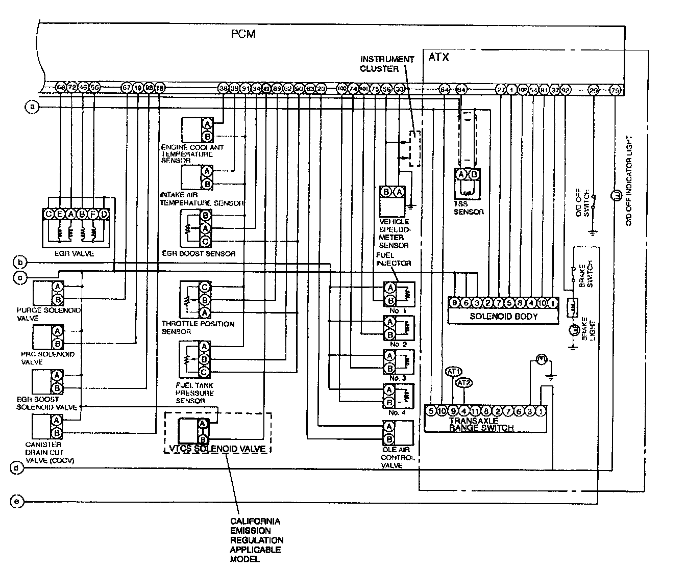
Without Immobilizer System (Part 2 Of 2):



With Immobilizer (Part 1 Of 2):



With Immobilizer (Part 2 Of 2):



Without Immobilizer (Part 1 Of 2):



Without Immobilizer (Part 2 Of 2):