FREE REPAIR MANUALS & LABOR GUIDES 1982-2013 Vehicles
Courtesy of Operation CHARM
:
Car repair manuals for everyone.
Home
>>
Lincoln
>>
2012
>>
MKZ FWD L4-2.5L Hybrid
>>
Repair and Diagnosis
>>
Powertrain Management
>>
Ignition System
>>
Ignition Coil
>>
Service and Repair
>>
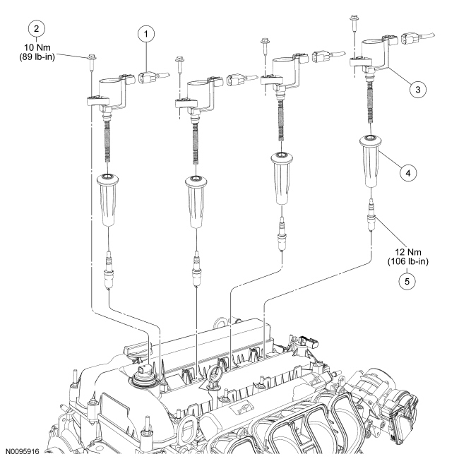
Engine Ignition Components - Exploded View
Engine Ignition Components - Exploded View
Engine Ignition Components - Exploded View