FREE REPAIR MANUALS & LABOR GUIDES 1982-2013 Vehicles
Courtesy of Operation CHARM: Car repair manuals for everyone.

Manual Transmission



Fan Control Relays - Manual Transmission
















Cooling Fan Motor Connector





Harness Side






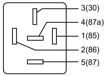
Low Fan Control (LFC) Relay Connector





Harness Side





Component side






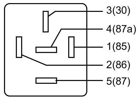
High Fan Control (HFC) Relay Connector





Harness Side





Component side






Powertrain Control Module (PCM) Connector - For PCM connector views or reference values, refer to Reference Values.





Harness Side