FREE REPAIR MANUALS & LABOR GUIDES 1982-2013 Vehicles
Courtesy of Operation CHARM: Car repair manuals for everyone.

Automatic Transmission



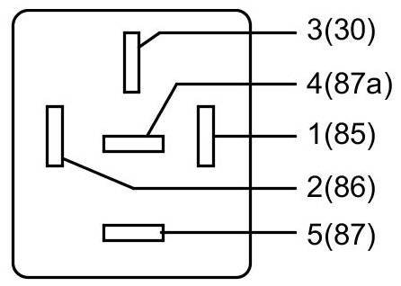
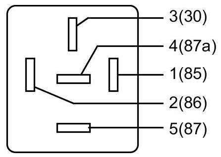
Fan Control Relays - Automatic Transmission
















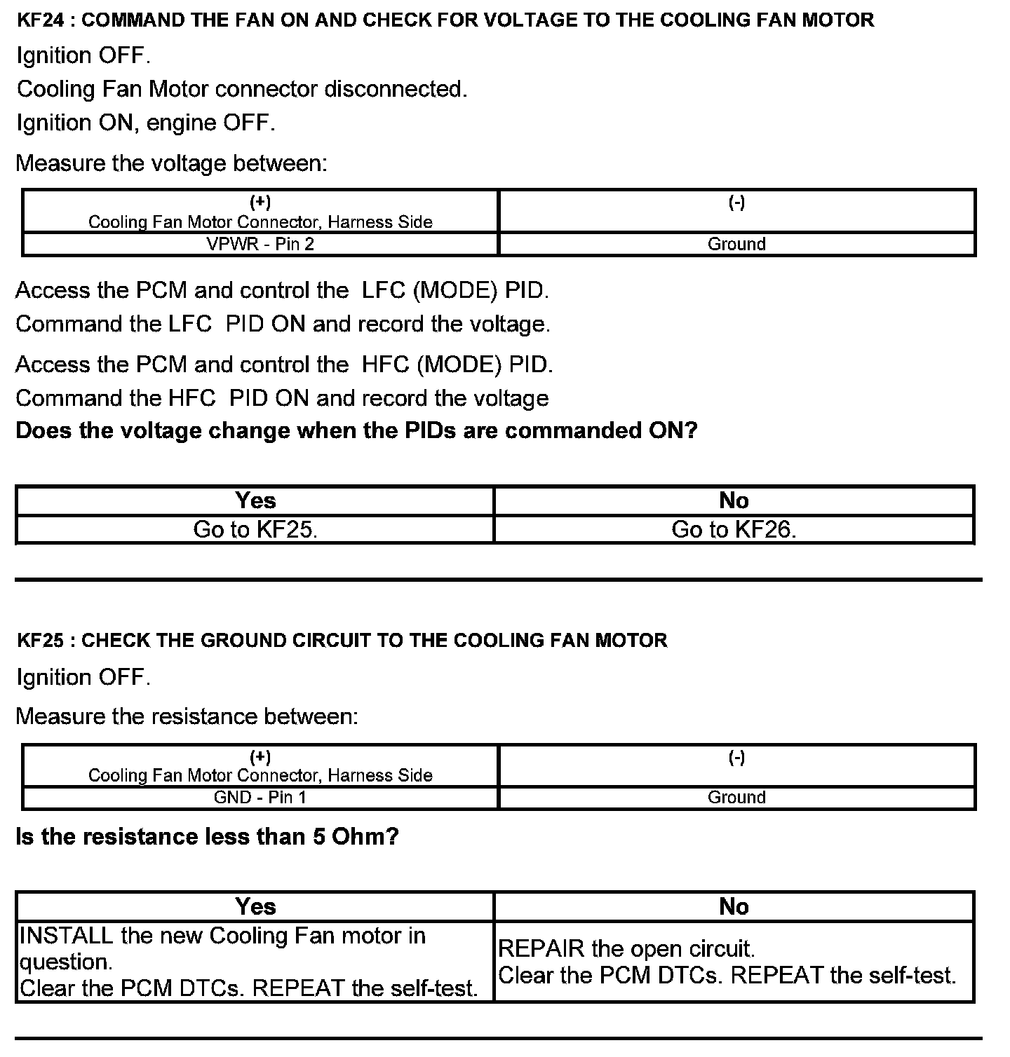
Cooling Fan Motor Connector





Harness Side






Low Fan Control (LFC) Relay Connector





Harness Side





Component side






High Fan Control (HFC) Relay Connector





Harness Side





Component side






Powertrain Control Module (PCM) Connector - For PCM connector views or reference values, refer to Reference Values.





Harness Side