FREE REPAIR MANUALS & LABOR GUIDES 1982-2013 Vehicles
Courtesy of Operation CHARM
:
Car repair manuals for everyone.
Home
>>
Lincoln
>>
2012
>>
MKZ FWD L4-2.5L Hybrid
>>
Repair and Diagnosis
>>
Powertrain Management
>>
Computers and Control Systems
>>
Testing and Inspection
>>
Pinpoint Tests
>>
Test KF: Fan Control Relays
>>
All Others
All Others
Fan Control Relays - All Others
Cooling Fan Motor Connector
Harness Side
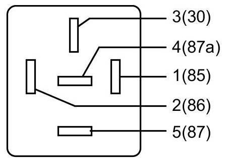
Low Fan Control (LFC) Relay Connector
Harness Side
Component side
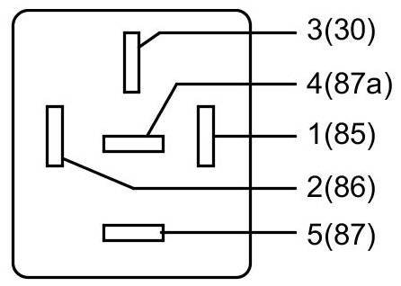
High Fan Control (HFC) Relay Connector
Harness Side
Component side