FREE REPAIR MANUALS & LABOR GUIDES 1982-2013 Vehicles
Courtesy of Operation CHARM: Car repair manuals for everyone.

Pinpoint Test W: The Audio Digital Signal Processing (DSP) Module Does Not Respond To The Scan Tool




Communications Network

Pinpoint Test W: The Audio Digital Signal Processing (DSP) Module Does Not Respond To The Scan Tool

Refer to Wiring Diagram Set 14, Module Communications Network for schematic and connector information. [1][2]Diagrams By Number

Refer to Wiring Diagram Set 130, Audio System/Navigation for schematic and connector information. [1][2]Diagrams By Number

Normal Operation

The audio Digital Signal Processing (DSP) module communicates with the scan tool through the Medium Speed Controller Area Network (MS-CAN).

This pinpoint test is intended to diagnose the following:

- Fuse

- Wiring, terminals or connectors

- Audio DSP (Digital Signal Processing) module

PINPOINT TEST W : THE AUDIO DSP (Digital Signal Processing) MODULE DOES NOT RESPOND TO THE SCAN TOOL

NOTICE: Use the correct probe adapter(s) when making measurements. Failure to use the correct probe adapter(s) may damage the connector.

NOTE: Failure to disconnect the battery when instructed will result in false resistance readings.

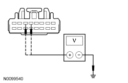
W1 CHECK THE AUDIO DSP (Digital Signal Processing) MODULE VOLTAGE SUPPLY CIRCUITS FOR AN OPEN

- Ignition OFF.

- Disconnect: Audio DSP (Digital Signal Processing) Module C4235A (THX(R)) or C4240A (Sony(R)).

- Ignition ON.

- For THX(R) sound, measure the voltage between the audio DSP (Digital Signal Processing) module, harness side and ground as follows:

Connector-Pin Circuit C4235A-9 SBB20 (GN/RD) C4235A-10 SBB20 (GN/RD) C4235A-11 SBB21 (GY/RD) C4235A-12 SBB21 (GY/RD)





- For Sony(R) sound, measure the voltage between the audio DSP (Digital Signal Processing) module, harness side and ground as follows:

Connector-Pin Circuit C4240A-5 SBP19 (BU/RD) C4240A-6 SBP19 (BU/RD)





Are the voltages greater than 10 volts?

Yes
GO to W2.

No
VERIFY the Smart Junction Box (SJB) fuse 19 (25A) (Sony(R) sound), or Battery Junction Box (BJB) fuse 20 (20A) or 21 (20A) (THX(R) sound) is OK. If OK, REPAIR the circuit in question. If not OK, REFER to the Wiring Diagrams to identify the possible causes of the short circuit. CLEAR the DTCs. REPEAT the network test with the scan tool. [1][2]Diagrams By Number

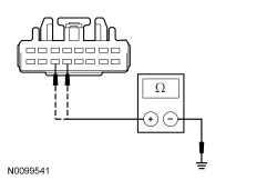
W2 CHECK THE AUDIO DSP (Digital Signal Processing) MODULE GROUND CIRCUITS FOR AN OPEN

- Ignition OFF.

- Disconnect: Negative Battery Cable.

- For THX(R) sound, measure the resistance between the audio DSP (Digital Signal Processing) module, harness side and ground as follows:

Connector-Pin Circuit C4235A-22 GD148 (BK/YE) C4235A-23 GD148 (BK/YE) C4235A-24 GD148 (BK/YE)





- For Sony(R) sound, measure the resistance between the audio DSP (Digital Signal Processing) module, harness side and ground as follows:

Connector-Pin Circuit C4240A-13 GD148 (BK/YE) C4240A-14 GD148 (BK/YE)





Are the resistances less than 5 ohms?

Yes
GO to W3.

No
REPAIR the circuit. CONNECT the negative battery cable. CLEAR the DTCs. REPEAT the network test with the scan tool.

W3 CHECK THE MS-CAN (Medium Speed Controller Area Network) CIRCUITS BETWEEN THE AUDIO DSP (Digital Signal Processing) MODULE AND THE DLC (Data Link Connector) FOR AN OPEN

- Disconnect: Audio DSP (Digital Signal Processing) Module C4235C (THX(R)) or C4240C (Sony(R)).

- Measure the resistance between the Medium Speed CAN circuits:
- For THX(R) sound, audio DSP (Digital Signal Processing) module C4235C-11 and the DLC (Data Link Connector) C251-3, circuit VDB06 (GY/OG), harness side.

- For THX(R) sound, audio DSP (Digital Signal Processing) module C4235C-1 and the DLC (Data Link Connector) C251-11, circuit VDB07 (VT/OG), harness side.

- For Sony(R) sound, audio DSP (Digital Signal Processing) module C4240C-1 and the DLC (Data Link Connector) C251-3, circuit VDB06 (GY/OG), harness side.

- For Sony(R) sound, audio DSP (Digital Signal Processing) module C4240C-11 and the DLC (Data Link Connector) C251-11, circuit VDB07 (VT/OG), harness side.






Are the resistances less than 5 ohms?

Yes
CONNECT the negative battery cable.GO to W4.

No
REPAIR the circuit in question. CONNECT the negative battery cable. CLEAR the DTCs. REPEAT the network test with the scan tool.

W4 CHECK FOR CORRECT AUDIO DSP (Digital Signal Processing) MODULE OPERATION

- Disconnect all the audio DSP (Digital Signal Processing) module connectors.

- Check for:
- corrosion

- damaged pins

- pushed-out pins


- Connect all the audio DSP (Digital Signal Processing) module connectors and make sure they seat correctly.

- Operate the system and verify the concern is still present.

Is the concern still present?

Yes
INSTALL a new audio DSP (Digital Signal Processing) module. CLEAR the DTCs. REPEAT the network test with the scan tool.

No
The system is operating correctly at this time. The concern may have been caused by a loose or corroded connector. CLEAR the DTCs. REPEAT the network test with the scan tool.