FREE REPAIR MANUALS & LABOR GUIDES 1982-2013 Vehicles
Courtesy of Operation CHARM: Car repair manuals for everyone.

Pinpoint Test B: The ABS Module Does Not Respond To The Scan Tool




Communications Network

Pinpoint Test B: The ABS Module Does Not Respond To The Scan Tool

Refer to Wiring Diagram Set 14, Module Communications Network for schematic and connector information. [1][2]Diagrams By Number

Refer to Wiring Diagram Set 42, Vehicle Dynamic Systems for schematic and connector information. [1][2]Diagrams By Number

Normal Operation

The ABS module communicates with the scan tool through the High Speed Controller Area Network (HS-CAN).

This pinpoint test is intended to diagnose the following:

- Fuse

- Wiring, terminals or connectors

- ABS module

PINPOINT TEST B : THE ABS MODULE DOES NOT RESPOND TO THE SCAN TOOL

NOTICE: Use the correct probe adapter(s) when making measurements. Failure to use the correct probe adapter(s) may damage the connector.

NOTE: Failure to disconnect the battery when instructed will result in false resistance readings.

B1 CHECK THE ABS MODULE VOLTAGE SUPPLY CIRCUITS FOR AN OPEN

- Ignition OFF.

- Disconnect: ABS Module C135.

- Ignition ON.

- Measure the voltage between the ABS module C135-8, circuit CBP42 (GN) (gasoline engine) or C135-8, circuit CBK03 (GY), harness side and ground.





Is the voltage greater than 10 volts?

Yes
GO to B2.

No
VERIFY the Battery Junction Box (BJB) fuse 42 (10A) (gasoline engine) or fuse 47 (10A) (hybrid) is OK. If OK, REPAIR the circuit in question. If not OK, refer to the Wiring Diagrams to identify the possible causes of the circuit short. CLEAR the DTCs. REPEAT the network test with the scan tool. [1][2]Diagrams By Number

B2 CHECK THE ABS MODULE GROUND CIRCUIT FOR AN OPEN

- Ignition OFF.

- Disconnect: Negative Battery Cable.

- For gasoline engine, measure the resistance between the ABS module C135-16, circuit GD123 (BK/GY), harness side and ground.





- For hybrid engine, measure the resistance between the ABS module C135-16, circuit GD121 (BK/YE), harness side and ground; and between the ABS module C135-47, circuit GD121 (BK/YE), harness side and ground.





Are the resistances less than 5 ohms?

Yes
For gasoline engine, GO to B3.

For hybrid engine, GO to B5.

No
REPAIR the circuit. CLEAR the DTCs. REPEAT the network test with the scan tool.

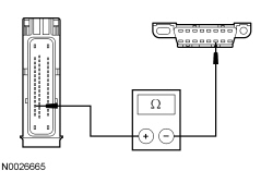
B3 CHECK THE HS-CAN (High Speed Controller Area Network) TERMINATION RESISTANCE

- Disconnect the scan tool cable from the Data Link Connector (DLC).

- Measure the resistance between the DLC (Data Link Connector) C251-6, circuit VDB04 (WH/BU), harness side and the DLC (Data Link Connector) C251-14, circuit VDB05 (WH), harness side.





Is the resistance between 54 and 66 ohms?

Yes
GO to B5.

No
GO to B4.

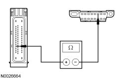
B4 CHECK THE HS-CAN (High Speed Controller Area Network) CIRCUITS BETWEEN THE ABS MODULE AND THE DLC (Data Link Connector) FOR AN OPEN

- Measure the resistance between the ABS module C135-12, circuit VDB04 (WH/BU), harness side and the Data Link Connector (DLC) C251-6, circuit VDB04 (WH/BU), harness side.





- Measure the resistance between the ABS module C135-13, circuit VDB05 (WH), harness side and the DLC (Data Link Connector) C251-14, circuit VDB05 (WH), harness side.





Are the resistances less than 5 ohms?

Yes
CONNECT the negative battery cable. GO to B5.

No
REPAIR the circuit in question. CONNECT the negative battery cable. CLEAR the DTCs. REPEAT the network test with the scan tool.

B5 CHECK FOR CORRECT ABS MODULE OPERATION

- Disconnect the ABS module connector.

- Check for:
- corrosion

- damaged pins

- pushed-out pins


- Connect the ABS module connector and make sure it seats correctly.

- Operate the system and verify the concern is still present.

Is the concern still present?

Yes
INSTALL a new ABS module. CLEAR the DTCs. REPEAT the network test with the scan tool.

No
The system is operating correctly at this time. The concern may have been caused by a loose or corroded connector. CLEAR the DTCs. REPEAT the network test with the scan tool.