FREE REPAIR MANUALS & LABOR GUIDES 1982-2013 Vehicles
Courtesy of Operation CHARM: Car repair manuals for everyone.

Pinpoint Test F: Incorrect/Erratic Function in AUTO Mode




Climate Control System

Pinpoint Test F: Incorrect/Erratic Function in AUTO Mode

Refer to Wiring Diagram Set 55, Automatic Climate Control System for schematic and connector information. [1][2]Diagrams By Number

Normal Operation

Under normal operation, the in-vehicle air temperature sensor receives a ground from the HVAC module through circuit RH111 (GY/BU). A 5-volt reference voltage is supplied to the in-vehicle air temperature sensor from the HVAC module through circuit VH414 (GN/BU). To accurately monitor the cabin air temperature, the in-vehicle air temperature sensor uses an integral fan to draw cabin air to the sensor, inside the instrument panel. The fan is supplied voltage through circuit CBP37 (WH) and ground from circuit GD116 (BK/VT)

This pinpoint test is intended to diagnose the following:

- Wiring, terminals or connectors

- In-vehicle temperature/humidity sensor

- HVAC module

PINPOINT TEST F : INCORRECT/ERRATIC FUNCTION IN AUTO MODE

F1 CHECK IN-VEHICLE TEMPERATURE/HUMIDITY SENSOR FAN OPERATION

- Ignition ON.

- Make sure the ambient air temperature is above 2°C (35°F).

- Select PANEL mode.

- Press the A/C button (indicator ON).

- Place a piece of tissue within 25 mm (1 in) of the in-vehicle temperature/humidity sensor opening.





Is the tissue drawn to the sensor opening?

Yes
GO to F2.

No
GO to F3.

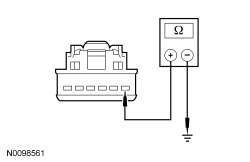
F2 CHECK THE SENSOR RESISTANCE

- Ignition OFF.

- Disconnect: In-Vehicle Temperature/Humidity Sensor C2247.

- Measure the resistance between the in-vehicle temperature/humidity sensor C2247-2, component side and C2247-5, component side and compare to the table below.

Ambient Temperature Resistance -40°C (-40°F) 862,600-942,000 ohms -15°C (5°F) 202,400-214,700 ohms 0°C (32°F) 93,510-97,640 ohms 15°C (59°F) 46,060-47,430 ohms 25°C (77°F) 29,700-30,300 ohms 35°C (95°F) 19,400-20,000 ohms 60°C (140°F) 7,414-7,774 ohms 85°C (185°F) 3,182-3,393 ohms





Is the resistance within the specified values for the temperatures?

Yes
GO to F5.

No
INSTALL a new in-vehicle temperature/humidity sensor. TEST the system for normal operation.

F3 CHECK CIRCUIT SBP37 (WH) FOR VOLTAGE

- Ignition ON.

- Measure the voltage between in-vehicle temperature/humidity sensor C2247-6, circuit SBP37 (WH), harness side and ground.





Is the voltage greater than 10 volts?

Yes
GO to F4.

No
VERIFY Smart Junction Box (SJB) fuse 37 (10A) is OK. If OK, REPAIR circuit SBP37 (WH) for an open. TEST the system for normal operation. If not OK, REFER to the Wiring Diagrams to identify the possible causes of the circuit short. [1][2]Diagrams By Number

F4 CHECK CIRCUIT GD116 (BK/VT) FOR GROUND

- Ignition OFF.

- Measure the resistance between in-vehicle temperature/humidity sensor C2247-1, circuit GD116 (BK/VT), harness side and ground.





Is the resistance less than 5 ohms?

Yes
INSTALL a new in-vehicle temperature/humidity sensor. TEST the system for normal operation.

No
REPAIR circuit GD116 (BK/VT) for an open. TEST the system for normal operation.

F5 CHECK THE MODULE CONNECTION

- Inspect the module connectors for:
- corrosion.
- pushed-out terminals.
- damaged terminals.


- Connect and correctly seat all the HVAC module connectors.

- Clear the DTCs.

- Operate the system and verify the concern is still present.

Is the concern still present?

Yes
INSTALL a new HVAC module. TEST the system for normal operation.

No
The system is operating correctly at this time. The concern may have been caused by a loose or corroded connector. CLEAR the DTCs. REPEAT the self-test. TEST the system for normal operation.