FREE REPAIR MANUALS & LABOR GUIDES 1982-2013 Vehicles
Courtesy of Operation CHARM
:
Car repair manuals for everyone.
Home
>>
Lincoln
>>
2012
>>
MKZ FWD L4-2.5L Hybrid
>>
Repair and Diagnosis
>>
Diagrams
>>
Exploded Views
>>
Wiper and Washer Systems
Wiper and Washer Systems
Wiper and Washer System - Exploded View
Windshield Wipers
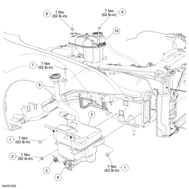
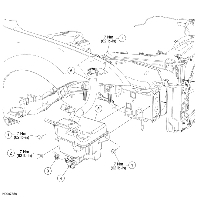
Washer Pump and Reservoir - Hybrid
Washer Pump and Reservoir - Non-Hybrid