FREE REPAIR MANUALS & LABOR GUIDES 1982-2013 Vehicles
Courtesy of Operation CHARM: Car repair manuals for everyone.

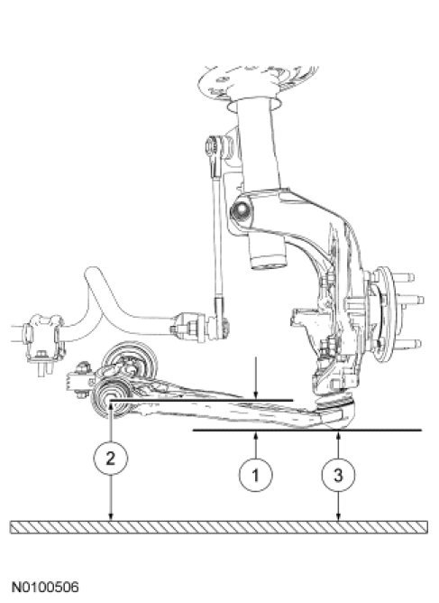
Alignment




Alignment Specifications





a Camber Total/Split = LH Camber - RH Camber
b Caster Total/Split = LH Caster - RH Caster

Ride Height Specifications














NOTE: Make sure that the vehicle is positioned on a flat, level surface and the tires are inflated to the correct pressure. The vehicle should have a full tank of fuel.


Torque Specifications