FREE REPAIR MANUALS & LABOR GUIDES 1982-2013 Vehicles
Courtesy of Operation CHARM: Car repair manuals for everyone.

Pinpoint Test V: The HVAC Module Does Not Respond To The Scan Tool




Communications Network

Pinpoint Tests

Pinpoint Test V: The HVAC Module Does Not Respond To The Scan Tool

Refer to Wiring Diagram Set 14, Module Communications Network for schematic and connector information. Diagrams By Number

Refer to Wiring Diagram Set 55, Automatic Climate Control System for schematic and connector information. Diagrams By Number

Normal Operation

The HVAC module communicates with the scan tool through the Medium Speed Controller Area Network (MS-CAN).

This pinpoint test is intended to diagnose the following:

- Fuse
- Wiring, terminals or connectors
- ABS module

PINPOINT TEST V: THE HVAC MODULE DOES NOT RESPOND TO THE SCAN TOOL

NOTICE: Use the correct probe adapter(s) when making measurements. Failure to use the correct probe adapter(s) may damage the connector.

-------------------------------------------------
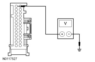
V1 CHECK THE HVAC MODULE VOLTAGE SUPPLY CIRCUITS FOR AN OPEN


- Ignition OFF.
- Disconnect: HVAC Module C228a (EATC) or C2356a (DATC) .
- Ignition ON.
- Measure the voltage between the HVAC module C228a-13 or C2356a-13, circuit SBP15 (WH/RD), harness side and ground.




- Are the voltages greater than 10 volts?

Yes
GO to V2.

No
VERIFY the Smart Junction Box (SJB) fuse 15 (10A) is OK. If OK, REPAIR the circuit in question. If not OK, REFER to the Wiring Diagrams to identify the possible causes of the short circuit. CLEAR the DTCs. REPEAT the network test with the scan tool. Diagrams By Number

-------------------------------------------------
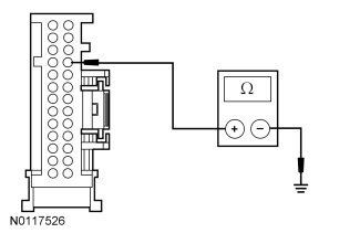
V2 CHECK THE HVAC MODULE GROUND CIRCUIT FOR AN OPEN


- Ignition OFF.
- Measure the resistance between the HVAC module C228a-23 or C2356a-23, circuit GD114 (BK/BU), harness side and ground.




- Is the resistance less than 5 ohms?

Yes
GO to V3.

No
REPAIR the circuit. CLEAR the DTCs. REPEAT the network test with the scan tool.

-------------------------------------------------
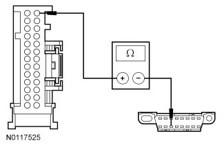
V3 CHECK THE MS-CAN CIRCUITS BETWEEN THE HVAC MODULE AND THE DLC FOR AN OPEN


- Measure the resistance between the HVAC module C228a-25 or C2356a-25, circuit VDB06 (GY/OG), harness side and the DLC C251-3, circuit VDB06 (GY/OG), harness side.




- Measure the resistance between the HVAC module C228a-26 or C2356a-26, circuit VDB07 (VT/OG), harness side and the DLC C251-11, circuit VDB07 (VT/OG), harness side.




- Are the resistances less than 5 ohms?

Yes
GO to V4.

No
REPAIR the circuit in question. CLEAR the DTCs. REPEAT the network test with the scan tool.

-------------------------------------------------
V4 CHECK FOR CORRECT HVAC MODULE OPERATION


- Disconnect all the HVAC module connectors.
- Check for:
- corrosion
- damaged pins
- pushed-out pins
- Connect all the HVAC module connectors and make sure they seat correctly.
- Operate the system and verify the concern is still present.
- Is the concern still present?

Yes
INSTALL a new HVAC module. REFER to Climate Control Service and Repair. CLEAR the DTCs. REPEAT the network test with the scan tool.

No
The system is operating correctly at this time. The concern may have been caused by a loose or corroded connector.

-------------------------------------------------