FREE REPAIR MANUALS & LABOR GUIDES 1982-2013 Vehicles
Courtesy of Operation CHARM: Car repair manuals for everyone.

Pinpoint Test R: The Headlamp Control Module 2 (HCM-2) Does Not Respond To The Scan Tool




Communications Network

Pinpoint Tests

Pinpoint Test R: The Headlamp Control Module 2 (HCM-2) Does Not Respond To The Scan Tool

Refer to Wiring Diagram Set 14, Module Communications Network for schematic and connector information. Diagrams By Number

Refer to Wiring Diagram Set 85, Headlamps/Autolamps for schematic and connector information. Diagrams By Number

Normal Operation

The Headlamp Control Module 2 (HCM-2) communicates with the scan tool through the Medium Speed Controller Area Network (MS-CAN).

This pinpoint test is intended to diagnose the following:

- Fuse
- Wiring, terminals or connectors
- HCM-2

PINPOINT TEST R: THE HCM-2 DOES NOT RESPOND TO THE SCAN TOOL

NOTICE: Use the correct probe adapter(s) when making measurements. Failure to use the correct probe adapter(s) may damage the connector.

NOTE: Failure to disconnect the battery when instructed will result in false resistance readings. Refer to Battery, Mounting and Cables Battery Disconnect.

NOTE: The steps in this pinpoint test are carried out from the headlamp jumper harness connection, not the module itself.

-------------------------------------------------
R1 CHECK THE HCM-2 VOLTAGE SUPPLY CIRCUIT FOR AN OPEN


- Ignition OFF.
- Disconnect: HCM-2 Inline C913 .
- Ignition ON.
- Measure the voltage between the HCM-2 inline C913-A, circuit CBP31 (BU/OG), harness (female) side and ground.




- Is the voltage greater than 10 volts?

Yes
GO to R2.

No
VERIFY the Smart Junction Box (SJB) fuse 31 (10A) is OK. If OK, REPAIR the circuit. If not OK, REFER to the Wiring Diagrams to identify the possible causes of the circuit short. CLEAR the DTCs. REPEAT the network test with the scan tool. Diagrams By Number

-------------------------------------------------
R2 CHECK THE HCM-2 GROUND CIRCUIT FOR AN OPEN


- Disconnect: Negative Battery Cable .
- Measure the resistance between the HCM-2 inline C913-D, circuit GD133 (BK), harness (female) side and ground.




- Is the resistance less than 5 ohms?

Yes
GO to R3.

No
REPAIR the circuit. CONNECT the negative battery cable. CLEAR the DTCs. REPEAT the network test with the scan tool.

-------------------------------------------------
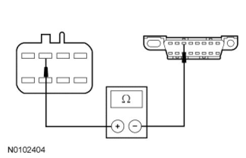
R3 CHECK THE MS-CAN CIRCUITS BETWEEN THE HCM-2 AND THE DLC FOR AN OPEN


- Measure the resistance between the HCM-2 inline C913-C, circuit VDB06 (GY/OG), harness (female) side and the DLC C251-3, circuit VDB06 (GY/OG), harness side.




- Measure the resistance between the HCM-2 inline C913-F, circuit VDB07 (VT/OG), harness (female) side and the DLC C251-11, circuit VDB07 (VT/OG), harness side.




- Are the resistances less than 5 ohms?

Yes
CONNECT the negative battery cable. GO to R4.

No
REPAIR the circuit in question. CONNECT the negative battery cable. CLEAR the DTCs. REPEAT the network test with the scan tool.

-------------------------------------------------
R4 CHECK FOR CORRECT HCM-2 OPERATION


- Disconnect the inline HCM-2 connector.
- Check for:
- corrosion
- damaged pins
- pushed-out pins
- Connect the inline HCM-2 connector and make sure it seats correctly.
- Operate the system and verify the concern is still present.
- Is the concern still present?

Yes
INSTALL a new HCM-2. REFER to Exterior Lighting Headlamp Control Module 2 (HCM-2). CLEAR the DTCs. REPEAT the network test with the scan tool.

No
The system is operating correctly at this time. The concern may have been caused by a loose or corroded connector.

-------------------------------------------------