Pinpoint Test L: The Steering Angle Sensor Module (SASM) Does Not Respond To The Scan Tool
Communications Network
Pinpoint Tests
Pinpoint Test L: The Steering Angle Sensor Module (SASM) Does Not Respond To The Scan Tool
Refer to Wiring Diagram Set 14, Module Communications Network for schematic and connector information. Diagrams By Number
Refer to Wiring Diagram Set 42, Vehicle Dynamic Systems for schematic and connector information. Diagrams By Number
Normal Operation
The Steering Angle Sensor Module (SASM) communicates with the scan tool through the High Speed Controller Area Network (HS-CAN).
This pinpoint test is intended to diagnose the following:
- Fuse
- Wiring, terminals or connectors
- SASM
PINPOINT TEST L: THE SASM DOES NOT RESPOND TO THE SCAN TOOL
NOTICE: Use the correct probe adapter(s) when making measurements. Failure to use the correct probe adapter(s) may damage the connector.
NOTE: Failure to disconnect the battery when instructed will result in false resistance readings. Refer to Battery, Mounting and Cables Battery Disconnect.
-------------------------------------------------
L1 CHECK THE SASM VOLTAGE SUPPLY CIRCUIT FOR AN OPEN
- Ignition OFF.
- Disconnect: SASM C2412 .
- Ignition ON.
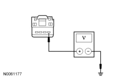
- Measure the voltage between the SASM C2412-1, circuit CBP35 (YE/GY), harness side and ground.
- Is the voltage greater than 10 volts?
Yes
GO to L2.
No
VERIFY the Smart Junction Box (SJB) fuse 35 (10A) is OK. If OK, REPAIR the circuit. If not OK, REFER to the Wiring Diagrams to identify the possible causes of the circuit short. CLEAR the DTCs. REPEAT the network test with the scan tool. Diagrams By Number
-------------------------------------------------
L2 CHECK THE SASM GROUND CIRCUIT FOR AN OPEN
- Ignition OFF.
- Disconnect: Negative Battery Cable .
- Measure the resistance between the SASM C2412-4, circuit GD114 (BK/BU), harness side and ground.
- Is the resistance less than 5 ohms?
Yes
GO to L3.
No
REPAIR the circuit. CONNECT the negative battery cable. CLEAR the DTCs. REPEAT the network test with the scan tool.
-------------------------------------------------
L3 CHECK THE HS-CAN CIRCUITS BETWEEN THE SASM AND THE DLC FOR AN OPEN
- Measure the resistance between the SASM C2412-3, circuit VDB04 (WH/BU), harness side and the DLC C251-6, circuit VDB04 (WH/BU), harness side.
- Measure the resistance between the SASM C2412-2, circuit VDB05 (WH), harness side and the DLC C251-14, circuit VDB05 (WH), harness side.
- Are the resistances less than 5 ohms?
Yes
CONNECT the negative battery cable. GO to L4.
No
REPAIR the circuit. CONNECT the negative battery cable. CLEAR the DTCs. REPEAT the network test with the scan tool.
-------------------------------------------------
L4 CHECK FOR CORRECT SASM OPERATION
- Disconnect the SASM connector.
- Check for:
- corrosion
- damaged pins
- pushed-out pins
- Connect the SASM connector and make sure it seats correctly.
- Verify the concern is still present.
- Is the concern still present?
Yes
INSTALL a new SASM. REFER to Steering Wheel Rotation Sensor in Vehicle Dynamic Systems Steering Angle Sensor Module (SASM). CLEAR the DTCs. REPEAT the network test with the scan tool.
No
The system is operating correctly at this time. The concern may have been caused by a loose or corroded connector.
-------------------------------------------------