FREE REPAIR MANUALS & LABOR GUIDES 1982-2013 Vehicles
Courtesy of Operation CHARM
:
Car repair manuals for everyone.
Home
>>
Lincoln
>>
2011
>>
MKS AWD V6-3.5L Turbo
>>
Repair and Diagnosis
>>
Diagrams
>>
Exploded Views
>>
Suspension
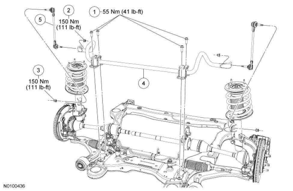
Suspension
Front
Suspension
- Exploded View