FREE REPAIR MANUALS & LABOR GUIDES 1982-2013 Vehicles
Courtesy of Operation CHARM: Car repair manuals for everyone.

Pinpoint Test C: The Cruise Control Switch Is Inoperative/Does Not Operate Correctly




Cruise Control

Pinpoint Tests

Pinpoint Test C: The Cruise Control Switch Is Inoperative/Does Not Operate Correctly

Refer to Wiring Diagram Set 31, Cruise Control for schematic and connector information. Diagrams By Number

Normal Operation

Voltage is sent from the PCM to the cruise control switches. When a switch is pressed, the voltage is routed through a specific resistor value for each function and the PCM grounds the reference voltage. The PCM uses this reference voltage to determine which cruise control input function has been selected.

- DTC P0579 (Cruise Control Multi-Function Input A Circuit Range/Performance) - may set when the cruise control switch circuits are open, shorted to voltage or ground.
- DTC P0581 (Cruise Control Multi-Function Input A Circuit High) - sets when the cruise control switch circuits are open or shorted to voltage.

This pinpoint test is intended to diagnose the following:

- Wiring, terminals or connectors
- Clockspring
- Cruise control switch
- PCM

PINPOINT TEST C: THE CRUISE CONTROL SWITCH IS INOPERATIVE/DOES NOT OPERATE CORRECTLY

NOTICE: Use the correct probe adapter(s) when making measurements. Failure to use the correct probe adapter(s) may damage the connector.

-------------------------------------------------
C1 CHECK THE CRUISE CONTROL SWITCH


- Ignition ON.
- Enter the following diagnostic mode on the scan tool: PCM DataLogger.
- Press each cruise control switch button while monitoring the SCCS PID (cruise control switch).





- Does the PID value agree with the switch position?

Yes
GO to C10.

No
If only one switch does not display the correct PID value, INSTALL a new steering wheel sub-assembly (3K519). REFER to Steering Column. CLEAR the DTCs. TEST the system for normal operation.

Otherwise, GO to C2.

-------------------------------------------------
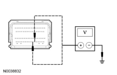
C2 CHECK THE CRUISE CONTROL SWITCH CIRCUITRY FOR A SHORT TO VOLTAGE


- Ignition OFF.
- Disconnect: PCM C175b (Non-Gasoline Turbocharged Direct Injection (GTDI)) or PCM C1381b (GTDI).
- Ignition ON.
- Turn the parking lamps on.
- For vehicles with non- GTDI engines, measure the voltage between the PCM C175b-57, circuit RES08 (GN/BN), harness side and ground; and between the PCM C175b-56, circuit VES10 (WH), harness side and ground.




- For vehicles with GTDI engines, measure the voltage between the PCM C1381b-64, circuit VES10 (WH), harness side and ground; and between the PCM C1381b-48, circuit RES08 (GN/BN), harness side and ground.




- Is any voltage present?

Yes
TURN the parking lamps off. GO to C3.

No
TURN the parking lamps off. GO to C5.

-------------------------------------------------
C3 CHECK THE CRUISE CONTROL SWITCH CIRCUITRY FOR A SHORT TO VOLTAGE WITH THE CLOCKSPRING DISCONNECTED


- Ignition OFF.
- Disconnect: Clockspring C218a.
- Ignition ON.
- For vehicles with non- GTDI engines, measure the voltage between the PCM C175b-57, circuit RES08 (GN/BN), harness side and ground; and between the PCM C175b-56, circuit VES10 (WH), harness side and ground.




- For vehicles with GTDI engines, measure the voltage between the PCM C1381b-64, circuit VES10 (WH), harness side and ground; and between the PCM C1381b-48, circuit RES08 (GN/BN), harness side and ground.




- Is any voltage present?

Yes
REPAIR the circuit in question. CLEAR the DTCs. TEST the system for normal operation.

No
GO to C4.

-------------------------------------------------
C4 CHECK THE CLOCKSPRING FOR A SHORT TO VOLTAGE


- Ignition OFF.
- Connect: Clockspring C218a.

- WARNING: Make sure no one is in the vehicle and there is nothing blocking or placed in front of any air bag module when the battery is connected. Failure to follow these instructions may result in serious personal injury in the event of an accidental deployment.

- Remove the driver air bag module. Refer to Supplemental Restraint System Driver Air Bag Module.
- Disconnect: Clockspring Connector C218b.
- Connect the battery.
- Ignition ON.
- Turn the parking lamps on.
- For vehicles with non- GTDI engines, measure the voltage between the PCM C175b-56, circuit VES10 (WH), harness side and ground; and between the PCM C175b-57, circuit RES08 (GN/BN), harness side and ground.




- For vehicles with GTDI engines, measure the voltage between the PCM C1381b-64, circuit VES10 (WH), harness side and ground; and between the PCM C1381b-48, circuit RES08 (GN/BN), harness side and ground.




- Is any voltage present?

Yes
INSTALL a new clockspring. INSTALL the driver air bag module. REFER to Supplemental Restraint System Service and Repair. CLEAR the DTCs. TEST the system for normal operation.

No
INSTALL a new steering wheel sub-assembly (3K519). REFER to Steering Column. CLEAR the DTCs. TEST the system for normal operation.

-------------------------------------------------
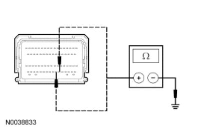
C5 CHECK THE CRUISE CONTROL SWITCH CIRCUITRY FOR A SHORT TO GROUND


- Ignition OFF.
- For vehicles with non- GTDI engines, measure the resistance between the PCM C175b-56, circuit VES10 (WH), harness side and ground; and between the PCM C175b-57, circuit RES08 (GN/BN), harness side and ground.




- For vehicles with GTDI engines, measure the resistance between the PCM C1381b-64, circuit VES10 (WH), harness side and ground; and between the PCM C1381b-48, circuit RES08 (GN/BN), harness side and ground.




- Are the resistances greater than 10,000 ohms?

Yes
GO to C8.

No
GO to C6.

-------------------------------------------------
C6 CHECK THE CRUISE CONTROL SWITCH STEERING WHEEL CIRCUITRY FOR A SHORT TO GROUND


- WARNING: Make sure no one is in the vehicle and there is nothing blocking or placed in front of any air bag module when the battery is connected. Failure to follow these instructions may result in serious personal injury in the event of an accidental deployment.

- Remove the driver air bag module. Refer to Supplemental Restraint System Passenger Air Bag Module.
- Disconnect: Clockspring Connector C218b.
- For vehicles with non- GTDI engines, measure the resistance between the PCM C175b-56, circuit VES10 (WH), harness side and ground; and between the PCM C175b-57, circuit RES08 (GN/BN), harness side and ground.




- For vehicles with GTDI engines, measure the resistance between the PCM C1381b-64, circuit VES10 (WH), harness side and ground; and between the PCM C1381b-48, circuit RES08 (GN/BN), harness side and ground.




- Are the resistances greater than 10,000 ohms?

Yes
INSTALL a new steering wheel sub-assembly (3K519). REFER to Steering Column. CLEAR the DTCs. TEST the system for normal operation.

No
GO to C7.

-------------------------------------------------
C7 CHECK THE CLOCKSPRING FOR A SHORT TO GROUND


- Disconnect: Clockspring C218a.
- For vehicles with non- GTDI engines, measure the resistance between the PCM C175b-56, circuit VES10 (WH), harness side and ground; and between the PCM C175b-57, circuit RES08 (GN/BN), harness side and ground.




- For vehicles with GTDI engines, measure the resistance between the PCM C1381b-64, circuit VES10 (WH), harness side and ground; and between the PCM C1381b-48, circuit RES08 (GN/BN), harness side and ground.




- Are the resistances greater than 10,000 ohms?

Yes
INSTALL a new clockspring. INSTALL the driver air bag module. REFER to Supplemental Restraint System Service and Repair Driver Air Bag Module. CLEAR the DTCs. TEST the system for normal operation.

No
REPAIR the circuit in question. CLEAR the DTCs. TEST the system for normal operation.

-------------------------------------------------
C8 CHECK THE CRUISE CONTROL SWITCH CIRCUITRY FOR AN OPEN


- Disconnect: Clockspring C218a.
- For vehicles with non- GTDI engines, measure the resistance between the PCM C175b-57, circuit RES08 (GN/BN), harness side and the clockspring C218a-14, circuit RES08 (GN/BN), harness side.




- For vehicles with GTDI engines, measure the resistance between the PCM C1381b-48, circuit RES08 (GN/BN), harness side and the clockspring C218a-14, circuit RES08 (GN/BN), harness side.




- For vehicles with non- GTDI engines, measure the resistance between the PCM C175b-56, circuit VES10 (WH), harness side and the clockspring C218a-15, circuit VES10 (WH), harness side.




- For vehicles with GTDI engines, measure the resistance between the PCM C1381b-64, circuit VES10 (WH), harness side and the clockspring C218a-15, circuit VES10 (WH), harness side.




- Are the resistances less than 5 ohms?

Yes
GO to C9.

No
REPAIR the circuit in question. CLEAR the DTCs. REPEAT the self-test.

-------------------------------------------------
C9 CHECK THE CLOCKSPRING FOR AN OPEN


- WARNING: Make sure no one is in the vehicle and there is nothing blocking or placed in front of any air bag module when the battery is connected. Failure to follow these instructions may result in serious personal injury in the event of an accidental deployment.

- Remove the driver air bag module. Refer to Supplemental Restraint System Driver Air Bag Module.
- Disconnect: Clockspring C218b.
- Measure the resistance between the clockspring C218a pin 15, component side and the upper clockspring C218b pin 8, component side.




- Measure the resistance between the clockspring C218a pin 14, component side and the upper clockspring C218b pin 9, component side.




- Are the resistances less than 5 ohms?

Yes
INSTALL a new steering wheel sub-assembly (3K519). REFER to Steering Column. CLEAR the DTCs. TEST the system for normal operation.

No
INSTALL a new clockspring. INSTALL the driver air bag module. REFER to Supplemental Restraint System Driver Air Bag Module Service and Repair. CLEAR the DTCs. TEST the system for normal operation.

-------------------------------------------------
C10 CHECK FOR CORRECT PCM OPERATION


- Disconnect all the PCM connectors.
- Check for:
- corrosion
- damaged pins
- pushed-out pins
- Connect all the PCM connectors and make sure they are seated correctly.
- Operate the system and verify the concern is still present.
- Is the concern still present?

Yes
INSTALL a new PCM. REFER to Electronic Engine Controls Service and Repair. TEST the system for normal operation.

No
The system is operating correctly at this time. The concern may have been caused by a loose or corroded connector.

-------------------------------------------------