FREE REPAIR MANUALS & LABOR GUIDES 1982-2013 Vehicles
Courtesy of Operation CHARM
:
Car repair manuals for everyone.
Home
>>
Lincoln
>>
2006
>>
Town Car V8-4.6L VIN W
>>
Repair and Diagnosis
>>
Diagrams
>>
Exploded Views
>>
Engine
>>
Engine Lubrication
Engine Lubrication
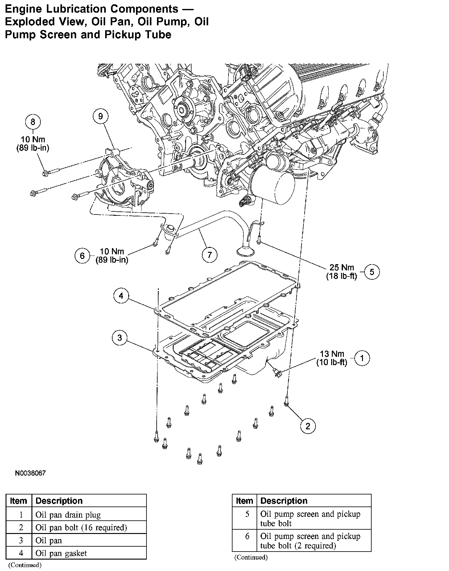
Engine Lubrication Components - Exploded View, Oil Pan, Oil Pump, Oil Pump Screen And Pickup Tube:
Engine Lubrication Components - Exploded View, Oil Pan, Oil Pump, Oil Pump Screen and Pickup Tube: