FREE REPAIR MANUALS & LABOR GUIDES 1982-2013 Vehicles
Courtesy of Operation CHARM: Car repair manuals for everyone.

Air Bag Control Module: Service and Repair

RESTRAINTS CONTROL MODULE (RCM)







Removal and Installation

WARNING:
- Always wear safety glasses when repairing an air bag supplemental restraint system (SRS) vehicle and when handling an air bag module. This will reduce the risk of injury in the event of an accidental deployment.
- The restraints control module (RCM) orientation is critical for correct air bag supplemental restraint system (SRS) operation. If a vehicle equipped with an SRS system has been involved in a collision in which the center tunnel area has been damaged, inspect the mounting and bracket for deformation. If damaged, the RCM must be replaced whether or not the air bags have deployed. In addition, make sure the area of the RCM mounting is restored to its original condition.
- Vehicle sensor orientation is critical for correct system operation. If a vehicle equipped with an air bag supplemental restraint system (SRS) is involved in a collision, inspect the sensor mounting bracket and wiring pigtail for deformation. Replace and correctly position the sensor or any other damaged supplemental restraint system (SRS) components whether or not the air bag is deployed.
- To reduce the risk of personal injury, do not use any memory saver devices.


CAUTION: Electronic modules are sensitive to static electrical charges. If exposed to these charges, damage can result.

NOTE:
- When installing a new restraints control module (RCM), always make sure the correct RCM is being installed. If an incorrect RCM is installed, erroneous DTCs will result.
- The air bag warning lamp illuminates when the RCM fuse is removed and the ignition switch is ON. This is normal operation and does not indicate a supplemental restraint system (SRS) fault.
- The SRS must be fully operational and free of faults before releasing the vehicle to the customer.
- Repair is made by installing a new part only. If the new part does not correct the condition, install the original part and carry out the diagnostic procedure again.

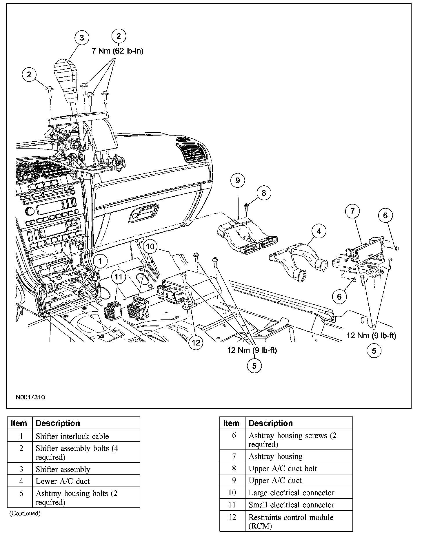
1. Depower the system.
2. Remove the floor console.
3. Disconnect the shifter interlock cable from the shifter.

4. NOTE: Do not remove the shifter from the vehicle.

Remove the shifter assembly bolts and position the shifter aside.
- To install, tighten to 7 Nm (62 lb-in).

5. Remove the lower A/C duct.
6. Remove the 2 ash tray housing lower bolts.
- To install, tighten to 12 Nm (9 lb-ft).

7. Remove the 2 ash tray housing upper screws and remove the housing assembly.
8. Remove the upper A/C duct bolt and remove the duct.







9. NOTE: The instrument panel has been removed for clarity.

Disengage the large RCM electrical connector position assurance lever.
1 Pinch the thumb tab and pivot the connector position assurance lever all the way back until it stops.
2 Pull out and disconnect the RCM electrical connector.

10. Disconnect the large RCM connector.
11. Disconnect the small RCM electrical connector
12. Remove the RCM bolts and remove the RCM.
- To install, tighten to 12 Nm (9 lb-ft).

13. WARNING: The tightening torque of the air bag restraints control module (RCM) retaining bolts is critical for correct system operation.

CAUTION:
- Putting the large RCM electrical connector into the RCM on an angle can cause bad electrical connections and damage components.
- Do not push the large RCM connector on to where the lever pivots and seats itself. Light pressure is needed to get the connector into position on the RCM before using the lever to fully seat the connector.


To install, reverse the removal procedure.

14. Repower the system.