FREE REPAIR MANUALS & LABOR GUIDES 1982-2013 Vehicles
Courtesy of Operation CHARM: Car repair manuals for everyone.

Pinpoint Tests AD: The Accessory Protocol Interface Module (APIM) Does Not Respond To The Scan Tool




Communications Network

Pinpoint Test AD: The Accessory Protocol Interface Module (APIM) Does Not Respond To The Scan Tool

Refer to Wiring Diagram Set 14, Module Communications Network for schematic and connector information. Diagrams By Number

Refer to Wiring Diagram Set 130, Audio System/Navigation for schematic and connector information. Diagrams By Number

Normal Operation

The Accessory Protocol Interface Module (APIM) communicates with the scan tool on the High Speed Controller Area Network (HS-CAN) but does not communicate with the scan tool on the Medium Speed Controller Area Network (MS-CAN).

This pinpoint test is intended to diagnose the following:

- Fuse
- Wiring, terminals or connectors
- APIM

PINPOINT TEST AD: THE APIM DOES NOT RESPOND TO THE SCAN TOOL

NOTICE: Use the correct probe adapter(s) when making measurements. Failure to use the correct probe adapter(s) may damage the connector.

NOTE: Failure to disconnect the battery when instructed will result in false resistance readings. Refer to Battery, Mounting and Cables Battery Disconnect.

-------------------------------------------------
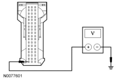
AD1 CHECK THE APIM VOLTAGE SUPPLY CIRCUIT FOR AN OPEN

- Disconnect: APIM C3342 .
- Ignition ON.
- Measure the voltage between the APIM C3342-1, circuit SBP14 (BN/RD), harness side and ground.




- Is the voltage greater than 10 volts?

Yes
GO to AD2.

No
VERIFY the Smart Junction Box (SJB) fuse 14 (10A) is OK. If OK, REPAIR the circuit in question. If not OK, REFER to the Wiring Diagrams to identify the possible causes of the circuit short. CLEAR the DTCs. REPEAT the network test with the scan tool. Diagrams By Number

-------------------------------------------------
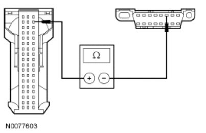
AD2 CHECK THE APIM GROUND CIRCUITS FOR AN OPEN

- Ignition OFF.
- Disconnect: Negative Battery Cable .
- Measure the resistance between the APIM C3342-37, circuit GD114 (BK/BU), harness side and ground; and between the APIM C3342-38, circuit GD114 (BK/BU), harness side and ground.




- Are the resistances less than 5 ohms?

Yes
GO to AD3.

No
REPAIR the circuit. CONNECT the negative battery cable. CLEAR the DTCs. REPEAT the network test with the scan tool.

-------------------------------------------------
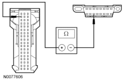
AD3 CHECK THE HS-CAN CIRCUITS BETWEEN THE APIM AND THE DLC FOR AN OPEN

- Measure the resistance between the APIM C3342-53, circuit VDB04 (WH/BU), harness side and the DLC C251-6, circuit VDB04 (WH/BU), harness side.




- Measure the resistance between the APIM C3342-54, circuit VDB05 (WH), harness side and the DLC C251-14, circuit VDB05 (WH), harness side.




- Are the resistances less than 5 ohms?

Yes
GO to AD4.

No
REPAIR the circuit in question. CONNECT the negative battery cable. CLEAR the DTCs. REPEAT the network test with the scan tool.

-------------------------------------------------
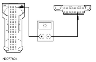
AD4 CHECK THE MS-CAN CIRCUITS BETWEEN THE APIM AND THE DLC FOR AN OPEN

- Measure the resistance between the APIM C3342-16, circuit VDB06 (GY/OG), harness side and the DLC C251-3, circuit VDB06 (GY/OG), harness side.




- Measure the resistance between the APIM C3342-17, circuit VDB07 (VT/OG), harness side and the DLC C251-11, circuit VDB07 (VT/OG), harness side.




- Are the resistances less than 5 ohms?

Yes
CONNECT the negative battery cable. GO to AD5.

No
REPAIR the circuit in question. CONNECT the negative battery cable. CLEAR the DTCs. REPEAT the network test with the scan tool.

-------------------------------------------------
AD5 CHECK FOR CORRECT APIM OPERATION

- Disconnect the APIM connector.
- Check for:
- corrosion
- damaged pins
- pushed-out pins
- Connect the APIM connector and make sure it seats correctly.
- Operate the system and verify the concern is still present.
- Is the concern still present?

Yes
INSTALL a new APIM. REFER to Information and Entertainment Systems Accessory Protocol Interface Module (APIM). CLEAR the DTCs. REPEAT the network test with the scan tool.

No
The system is operating correctly at this time. The concern may have been caused by a loose or corroded connector.

-------------------------------------------------