FREE REPAIR MANUALS & LABOR GUIDES 1982-2013 Vehicles
Courtesy of Operation CHARM: Car repair manuals for everyone.

VC Output Circuit

VC Output Circuit

DESCRIPTION




The ECM constantly uses 5 V from the battery voltages supplied to the +B (BATT) terminal to operate the microprocessor. The ECM also provides this power to the sensors through the VC output circuit.

When the VC circuit is short-circuited, the microprocessor in the ECM and sensors that are supplied power through the VC circuit are inactivated because the power is not supplied from the VC circuit. Under this condition, the system does not start up and the MIL does not illuminate even if the system malfunctions.

HINT: Under normal conditions, the MIL is illuminated for several seconds when the engine switch is first turned on (IG). The MIL goes off when the engine is started.

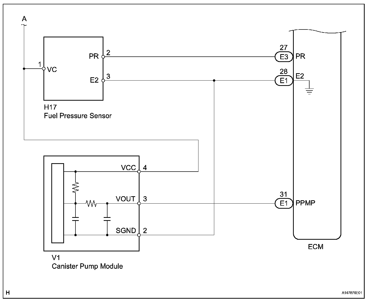
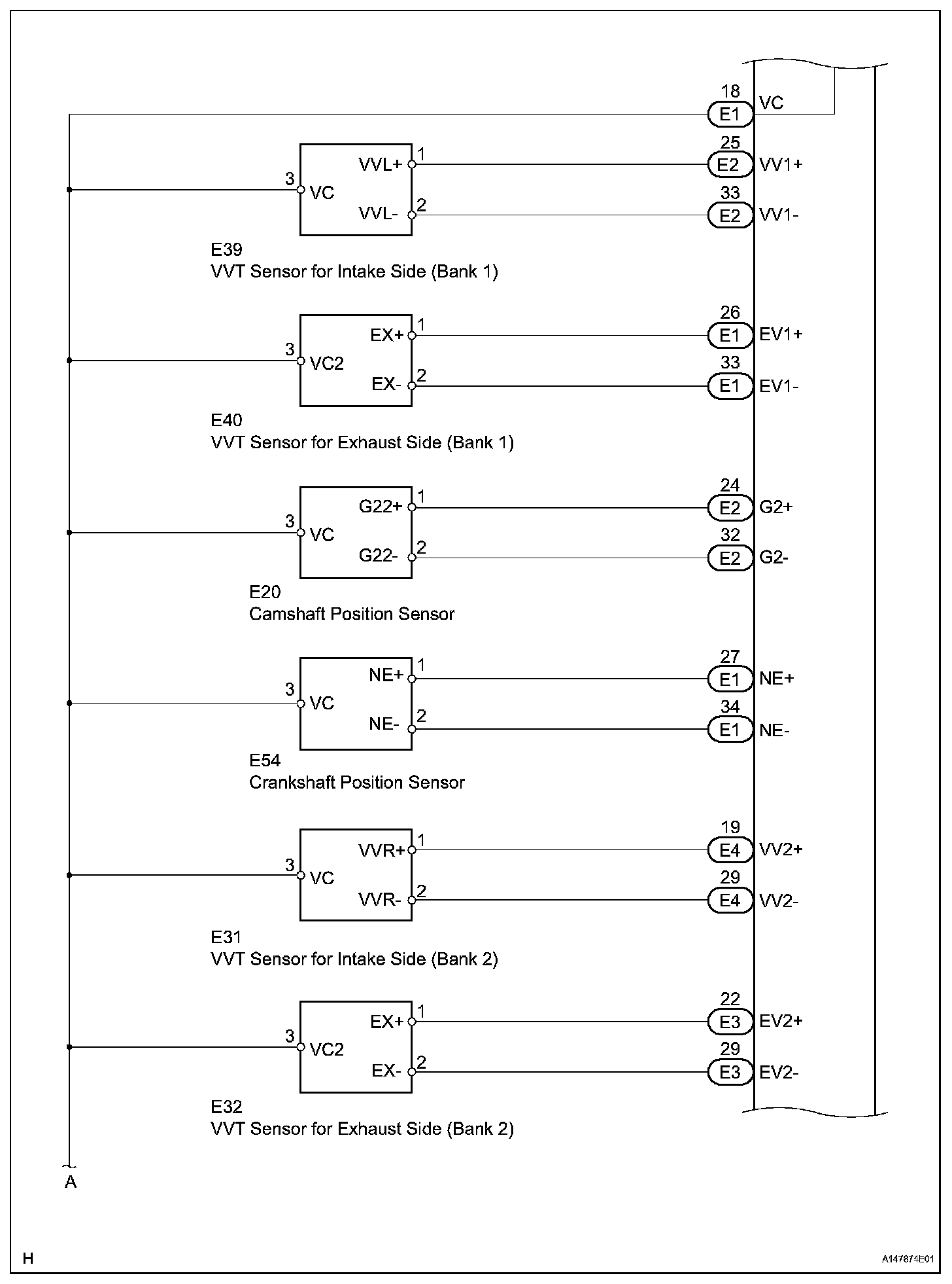
Wiring Diagram (Part 1):




Wiring Diagram (Part 2):




Wiring Diagram (Part 3):






Step 1-2:




Step 2(Continued)-5:




Step 5(Continued)-8:




Step 8(Continued)-10:




Step 11-12:




Step 13:




INSPECTION PROCEDURE