FREE REPAIR MANUALS & LABOR GUIDES 1982-2013 Vehicles
Courtesy of Operation CHARM: Car repair manuals for everyone.

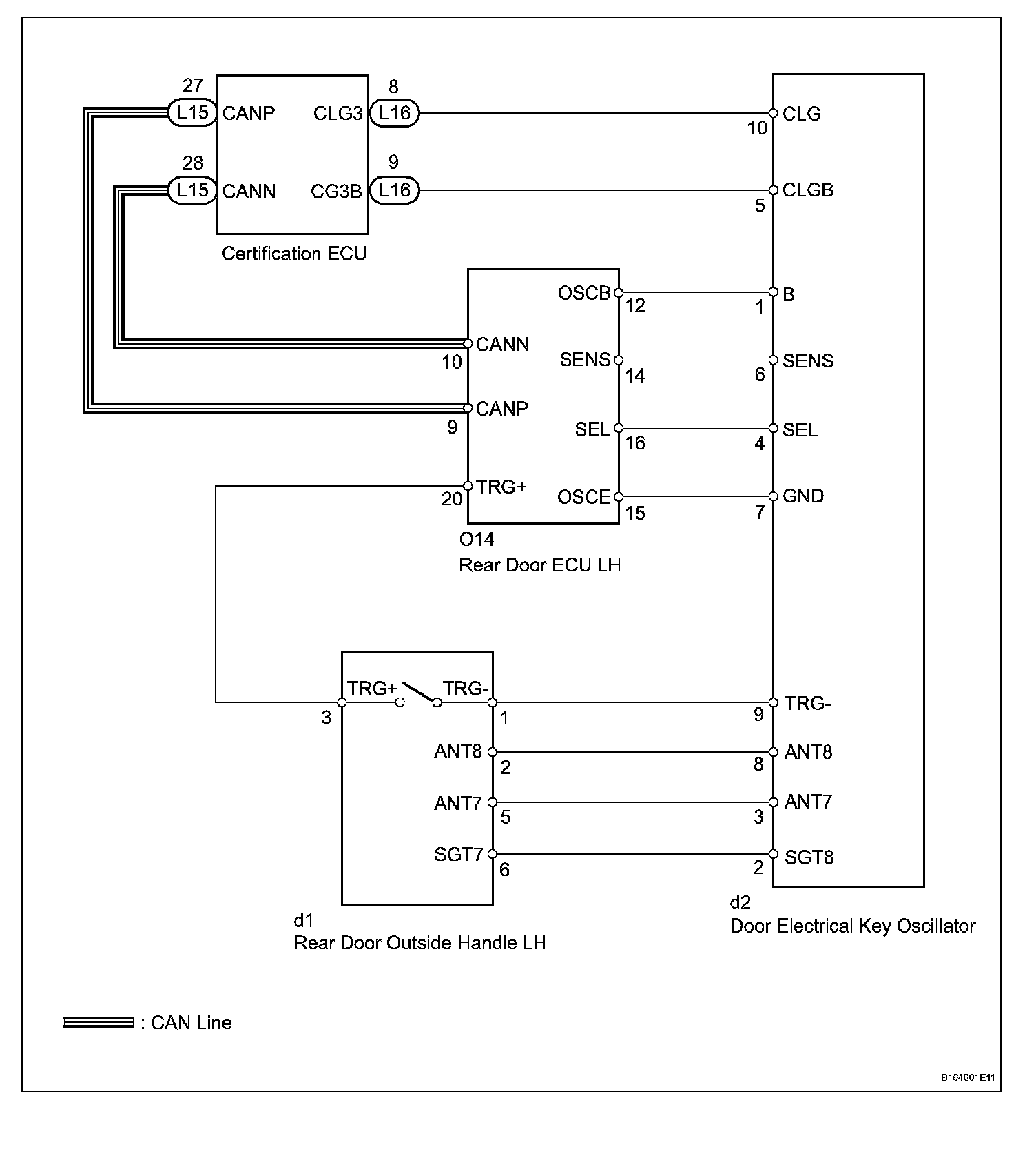
Rear Door LH Entry Unlock Function Does Not Operate

Rear Door LH Entry Unlock Function does not Operate

DESCRIPTION
If the rear left door entry unlock function does not operate but the entry lock operation operates, the communication line between the vehicle and electrical key transmitter is normal. Either of the following may have occurred: 1) the door outside handle touch sensor is malfunctioning; or 2) the rear door ECU LH receives the door outside handle touch sensor ON signal, but is unable to send the signal to the certification ECU through CAN communication.

Wiring Diagram:






Step 1-2:




Step 2 (Continued)-4:




Step 5-6:




Step 7-8:




INSPECTION PROCEDURE