FREE REPAIR MANUALS & LABOR GUIDES 1982-2013 Vehicles
Courtesy of Operation CHARM: Car repair manuals for everyone.

Fuse Block

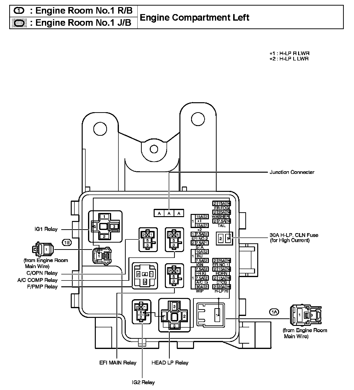
Engine Room No.1 R/B, J/B - Engine Compartment Left:




Fusible Link Block - Engine Compartment Right:




Driver Side J/B - Left Kick Panel (View A):




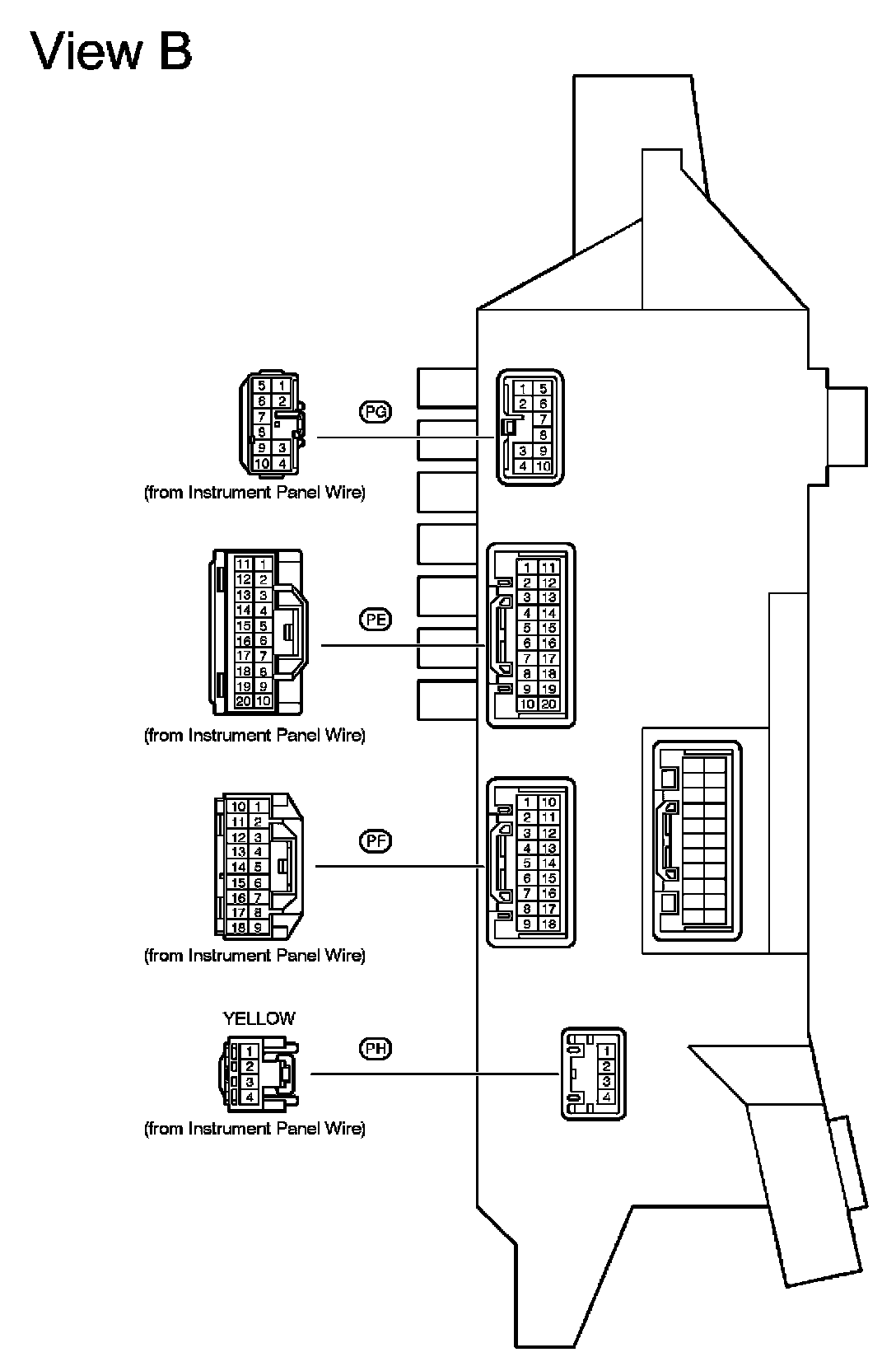
Driver Side J/B - Left Kick Panel (View B):




Driver Side J/B - Left Kick Panel (View C):




Passenger Side J/B - Right Kick Panel (View A):




Passenger Side J/B - Right Kick Panel (View B):




Passenger Side J/B - Right Kick Panel (View C):




Luggage Room J/B - Luggage Room Left: