FREE REPAIR MANUALS & LABOR GUIDES 1982-2013 Vehicles
Courtesy of Operation CHARM: Car repair manuals for everyone.

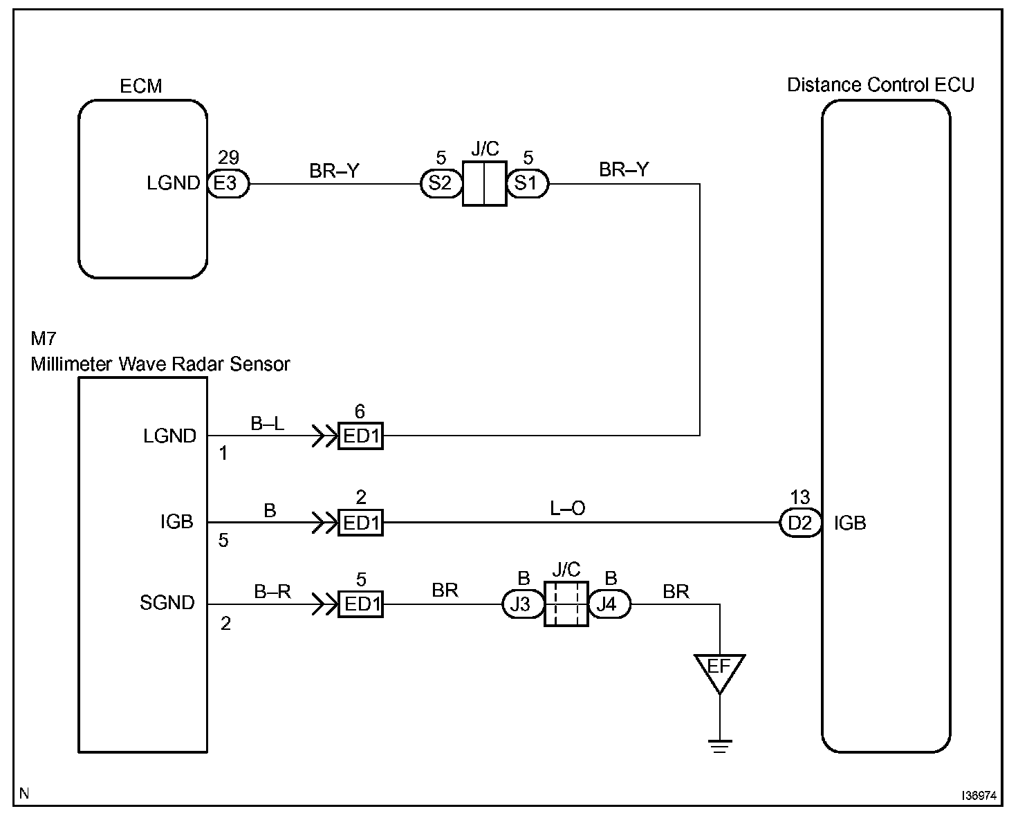
Sensor Power Source Circuit

Sensor Power Source Circuit

CIRCUIT DESCRIPTION

This circuit provides power to operate the millimeter wave radar sensor.

The millimeter wave radar sensor emits radar beams towards an object in front and measures the distance and direction of the object by receiving the beam reflections. Based on the reflections, the sensor calculates the difference in speed between your own vehicle and an object in front. This data is transmitted to the cruise control ECU (distance control ECU).

HINT:
The millimeter wave radar sensor monitors the radar emission and reception by itself. This DTC is detected when it cannot monitor.

When rain drops or snowflakes strike the radar sensor face, the distance between the vehicle in front and your own vehicle cannot be measured correctly.

The dynamic radar cruise control system functions by detecting the reflector of the vehicle directly in front. In the following cases, the system may not be able to detect the vehicle in front and may not properly maintain the correct vehicle-to-vehicle distance.
- The vehicle in front is a tall trailer.
- Emissions from the vehicle in front or from other lanes are heavy.

Wiring Diagram:






Step 1 - 2:




Step 2 (Continued) - 3:




INSPECTION PROCEDURE