FREE REPAIR MANUALS & LABOR GUIDES 1982-2013 Vehicles
Courtesy of Operation CHARM: Car repair manuals for everyone.

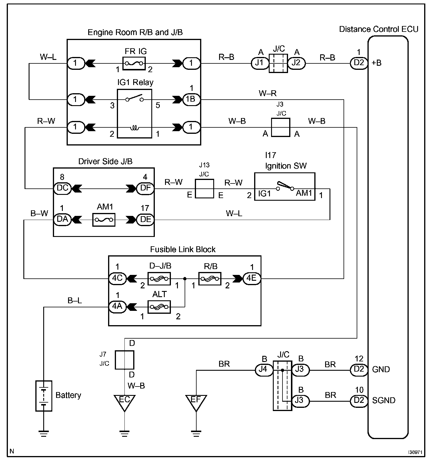
Distance Control ECU Power Source Circuit

Distance Control ECU Power Source Circuit

CIRCUIT DESCRIPTION

This circuit provides power to operate the cruise control ECU (distance control ECU).

The distance control ECU determines the vehicle that you are following based on data from the laser sensor and then decides how much acceleration and/or deceleration is needed to maintain the set distance. It also requests the skid control ECU to apply braking and sound the buzzer.

Wiring Diagram:






Step 1:




INSPECTION PROCEDURE