FREE REPAIR MANUALS & LABOR GUIDES 1982-2013 Vehicles
Courtesy of Operation CHARM
:
Car repair manuals for everyone.
Home
>>
Lexus
>>
2004
>>
ES 330 V6-3.3L (3MZ-FE)
>>
Repair and Diagnosis
>>
Powertrain Management
>>
Emission Control Systems
>>
Locations
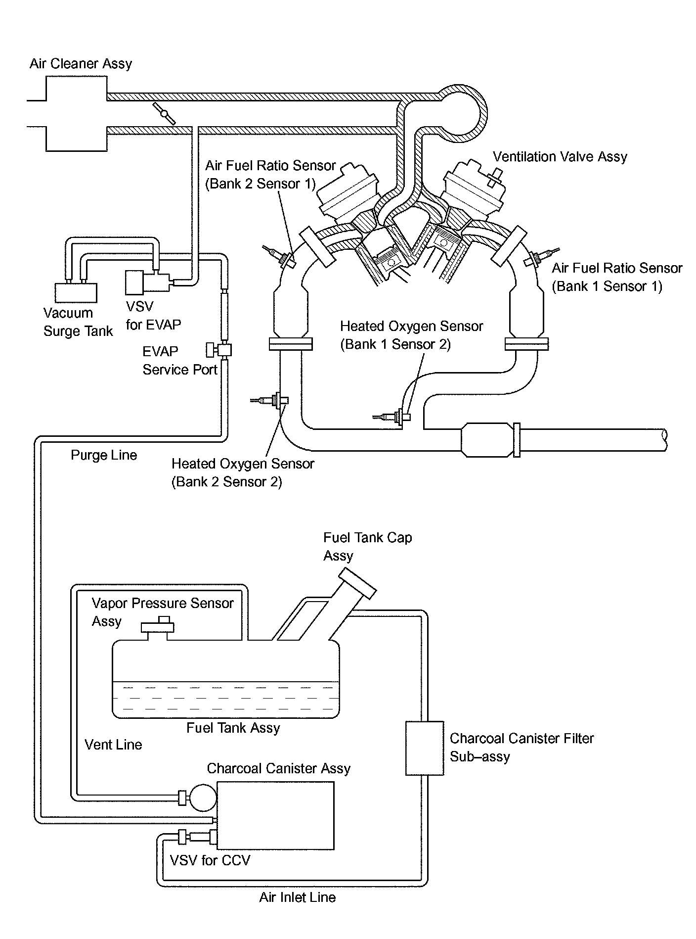
Emission Control Systems: Locations
EMISSION CONTROL SYSTEM (3MZ-FE) LOCATION