FREE REPAIR MANUALS & LABOR GUIDES 1982-2013 Vehicles
Courtesy of Operation CHARM
:
Car repair manuals for everyone.
Home
>>
Hyundai
>>
2013
>>
Veloster L4-1.6L Turbo
>>
Repair and Diagnosis
>>
Starting and Charging
>>
Starting System
>>
Keyless Starting System
>>
Diagrams
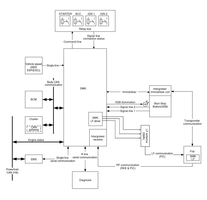
Keyless Starting System: Diagrams
Circuit Diagram (1)
Circuit Diagram (2)