FREE REPAIR MANUALS & LABOR GUIDES 1982-2013 Vehicles
Courtesy of Operation CHARM
:
Car repair manuals for everyone.
Home
>>
Hyundai
>>
2013
>>
Veloster L4-1.6L Turbo
>>
Repair and Diagnosis
>>
Diagrams
>>
Electrical Diagrams
>>
Keyless Starting System
>>
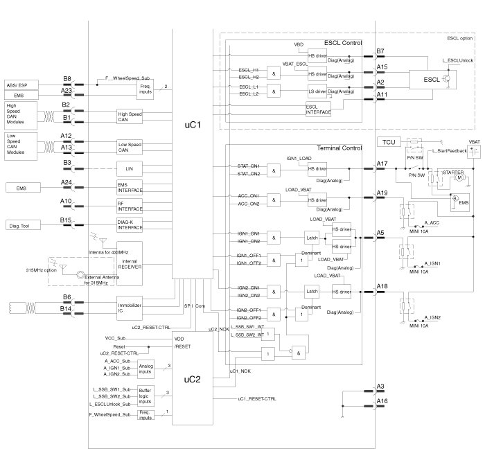
Keyless Start Control Module
Keyless Start Control Module
Circuit Diagram