FREE REPAIR MANUALS & LABOR GUIDES 1982-2013 Vehicles
Courtesy of Operation CHARM: Car repair manuals for everyone.

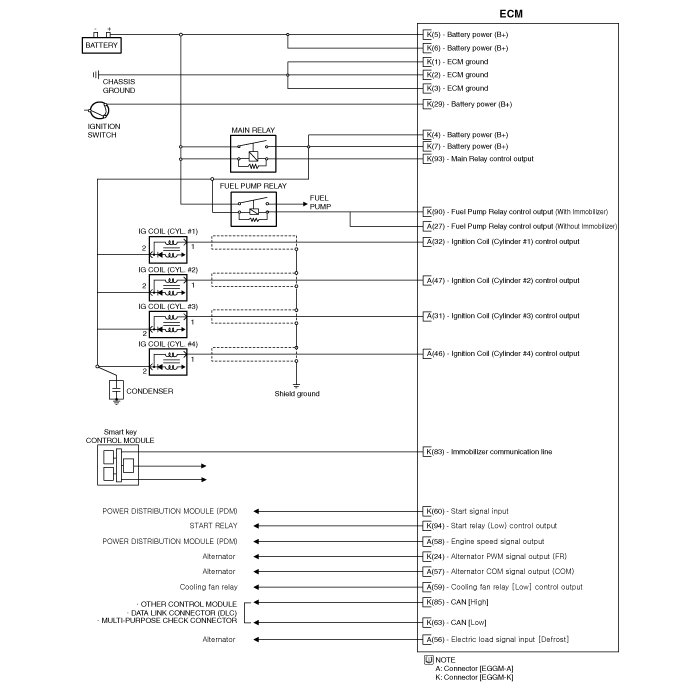
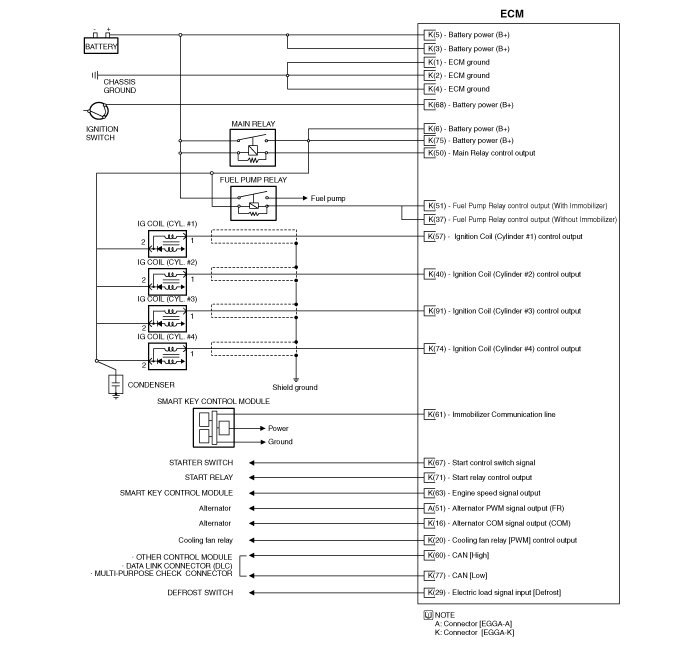
Engine Control Module





ECM Terminal And Input/Output signal [M/T]




ECM Terminal Function (M/T)
Connector [EGGM-A]









Connector [EGGM-K]













ECM Terminal Input/Output Signal (M/T)
Connector [EGGM-AG]









Connector [EGGM-K]














ECM Terminal And Input/Output signal [A/T]




ECM Terminal Function (A/T)
Connector [EGGA-A]













Connector [EGGA-K]













ECM Terminal Input/Output Signal (A/T)
Connector [EGGA-A]













Connector [EGGA-K]














Circuit Diagram

(M/T)
















(A/T)