FREE REPAIR MANUALS & LABOR GUIDES 1982-2013 Vehicles
Courtesy of Operation CHARM
:
Car repair manuals for everyone.
Home
>>
Hyundai
>>
2013
>>
Sonata L4-2.4L Hybrid
>>
Repair and Diagnosis
>>
Hybrid Drive Systems
>>
Power Control System
>>
Voltage Converter Module
>>
Diagrams
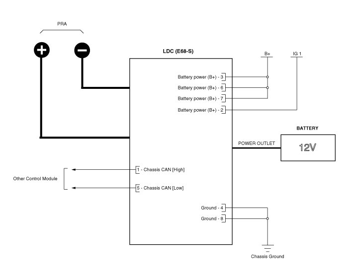
Voltage Converter Module: Diagrams
Schematic Diagram