Engine Control Module
ECM Terminal And Input/Output signal
ECM Terminal Function
Connector [CHG-K]
Connector [CHG-A]
ECM Terminal Input/ Output signal
NOTE:
Engine related parameters will only have valid values when the engine is requested to run by the HPCU (HEV control module). When engine does not run values will be invalid.
Connector [CHG-K]
Connector [CHG-A]
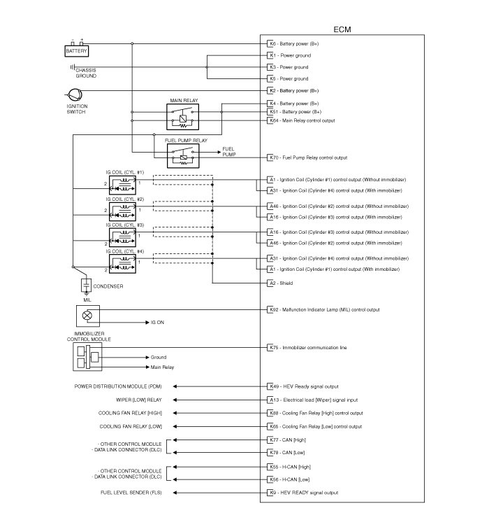
Circuit Diagram