FREE REPAIR MANUALS & LABOR GUIDES 1982-2013 Vehicles
Courtesy of Operation CHARM
:
Car repair manuals for everyone.
Home
>>
Hyundai
>>
2013
>>
Sonata L4-2.4L Hybrid
>>
Repair and Diagnosis
>>
Diagrams
>>
Electrical Diagrams
>>
Body Control Module
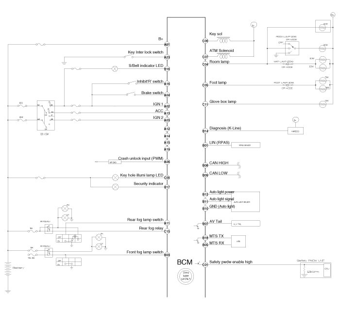
Body Control Module
BCM
Connector Terminals
BCM
Input Signal SPEC
Pin Arrangement
Connector A
Connector B
Connector C
Circuit Diagram