FREE REPAIR MANUALS & LABOR GUIDES 1982-2013 Vehicles
Courtesy of Operation CHARM
:
Car repair manuals for everyone.
Home
>>
Hyundai
>>
2013
>>
Sonata L4-2.0L Turbo
>>
Repair and Diagnosis
>>
Diagrams
>>
Electrical Diagrams
>>
Keyless Starting System
>>
Keyless Start Control Module
>>
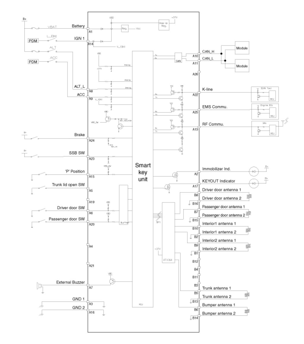
Smart Key Unit
Smart Key Unit
Circuit Diagram