FREE REPAIR MANUALS & LABOR GUIDES 1982-2013 Vehicles
Courtesy of Operation CHARM
:
Car repair manuals for everyone.
Home
>>
Hyundai
>>
2013
>>
Genesis Coupe L4-2.0L Turbo
>>
Repair and Diagnosis
>>
Powertrain Management
>>
Computers and Control Systems
>>
Relays and Modules - Computers and Control Systems
>>
Engine Control Module
>>
Diagrams
Engine Control Module: Diagrams
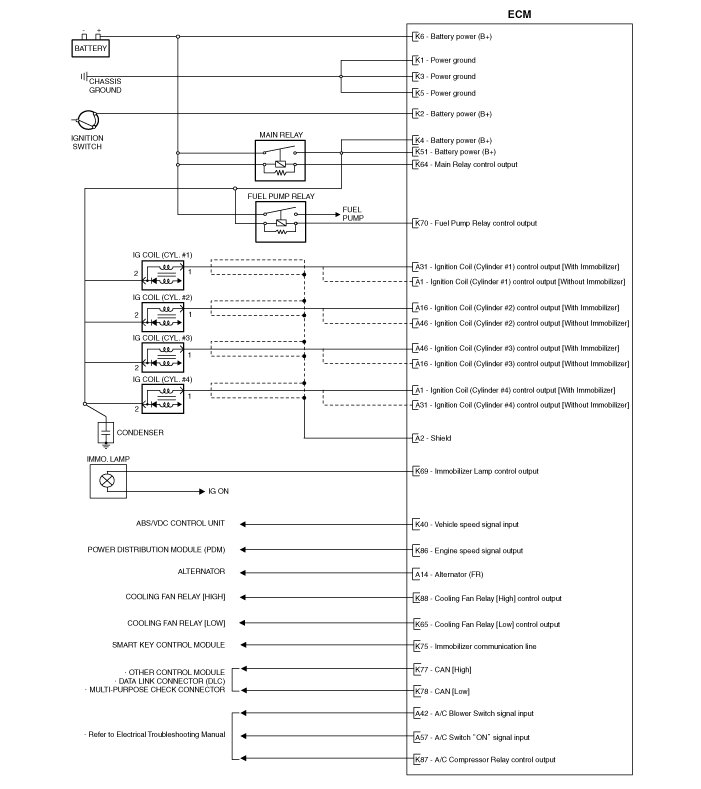
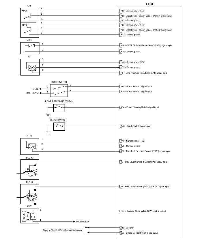
ECM Terminal And Input/Output signal
ECM Harness Connector
ECM Terminal Function
Connector [CHG-K]
Connector [CHG-A]
ECM Terminal Input/ Output signal
Connector [CHG-K]
Connector [CHG-A]
Circuit Diagram