FREE REPAIR MANUALS & LABOR GUIDES 1982-2013 Vehicles
Courtesy of Operation CHARM: Car repair manuals for everyone.

Main Relay (Computer/Fuel System): Testing and Inspection





Circuit Diagram





Using scan Tool














Harness Inspection Procedure


Control Relay Inspection

NOTE:
When applying battery voltage directly, make sure that it is applied to correct terminal. Otherwise, the relay could be damaged.

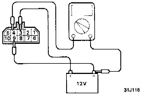
Fig. 1 Control Relay Test:








1. Connect a 12V power supply (+) terminal to the terminal 6 of the MFI control relay and measure the voltages at terminal 1 when the (-) terminal is connected to and disconnected from the terminal 8.

Fig. 2 Control Relay Testing:








2. Connect a 12V power supply (-) terminal to the terminal 10 of the control relay and check the continuity between terminals 3 and 4 when the (+) terminal is connected to and disconnected from the terminal 7.








3. Connect a 12V power supply (+) terminal to the terminal 3 of the MFI control relay and measure the voltages at the terminal 4 when the (-) terminal is connected to and disconnected from the terminal 9.
4. if one of the above is improper, replace the MFI control relay.