FREE REPAIR MANUALS & LABOR GUIDES 1982-2013 Vehicles
Courtesy of Operation CHARM
:
Car repair manuals for everyone.
Home
>>
Honda
>>
2009
>>
Civic L4-1.8L CNG
>>
Repair and Diagnosis
>>
Specifications
>>
Mechanical Specifications
>>
Engine
>>
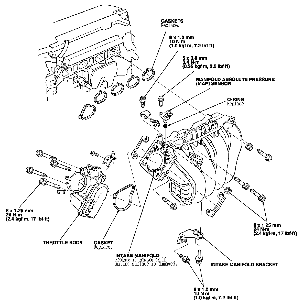
Intake Manifold
Intake Manifold
Intake Manifold
Removal and Installation
Exploded View