FREE REPAIR MANUALS & LABOR GUIDES 1982-2013 Vehicles
Courtesy of Operation CHARM: Car repair manuals for everyone.

Tighting Torques and Sequences

Cylinder Head Torque and Sequence

Tighten the cylinder head bolts in sequence to 29 N-m (3.0 kgf-m, 22 lbf-ft).





Tighten all cylinder head bolts an additional 130 °.






Head Bolt Reuse/Replace

If either diameter is less than 10.6 mm (0.42 in.), replace the cylinder head bolt.






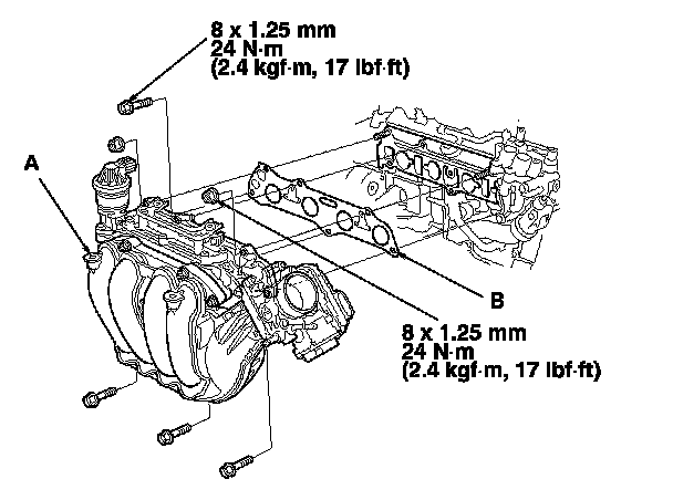
Intake Manifold Assembly

Tighten the bolts/nuts in a crisscross pattern in three steps, beginning with the inner bolt.






Camshaft Bearing Caps
Tighten each bolt two turns at a time in sequence.
Camshaft Holder/Lost Motion Holder, 8mm to 22 N-m (2.2 kgf-m, 16 lbf-ft)
Rocker Shaft, 8mm to 20 N-m (2.0 kgf-m, 16 lbf-ft)
Camshaft Holder, 6mm to 12 N-m (1.2 kgf-m, 8.7 lbf-ft)






Main Bearing Cap Torque and Sequence

Tighten the bearing cap bolts in sequence to 25 N-m (2.5 kgf-m, 18 lbf-ft).





Tighten the bearing cap bolts an additional 40 °.







Rod Bearing Cap Torque

Tighten the connecting rod bolts to 10 N-m (1.0 kgf-m, 7.2 lbf-ft).





Tighten the connecting rod bolts an additional 90 °






Crankshaft Pulley Torque

Tighten the crankshaft pulley bolt to 37 N-m (3.8 kgf-m, 27 lbf-ft)
If the pulley bolt or crankshaft are new, tighten the bolt to 177 N-m (18.0 kgf-m, 130 lbf-ft), then remove the bolt and tighten it to 37 N-m (3.8 kgf-m, 27 lbf-ft).
Then tighten the bolt an additional 90 °.









Drive Plate Torque






Oil Pump Torque






Water Pump Torque