FREE REPAIR MANUALS & LABOR GUIDES 1982-2013 Vehicles
Courtesy of Operation CHARM: Car repair manuals for everyone.

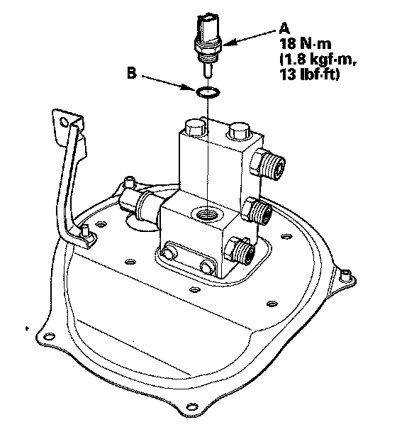
Fuel Tank Temperature Sensor (CNG): Service and Repair

FTT Sensor Replacement

1. Remove the fuel joint block.




2. Remove the FTT sensor (A).
3. Apply silicone oil or polyalkyleneglycol (PAG) oil to a new O-ring (B) and carefully install it into its proper position.
4. Install the parts in the reverse order of removal.
5. Do the leak inspection procedure.