FREE REPAIR MANUALS & LABOR GUIDES 1982-2013 Vehicles
Courtesy of Operation CHARM: Car repair manuals for everyone.

Ignition Switch: Service and Repair

Ignition Switch Replacement

SRS components are located in the area. Review the SRS component locations, and precautions and procedures before performing repairs or servicing.

1. Make sure you have the anti-theft code for the audio or the navigation system (if equipped), then write down the audio presets. Make sure the ignition switch is OFF.
2. Disconnect the negative battery cable.
3. Remove the driver's dashboard lower cover, and the steering column covers.




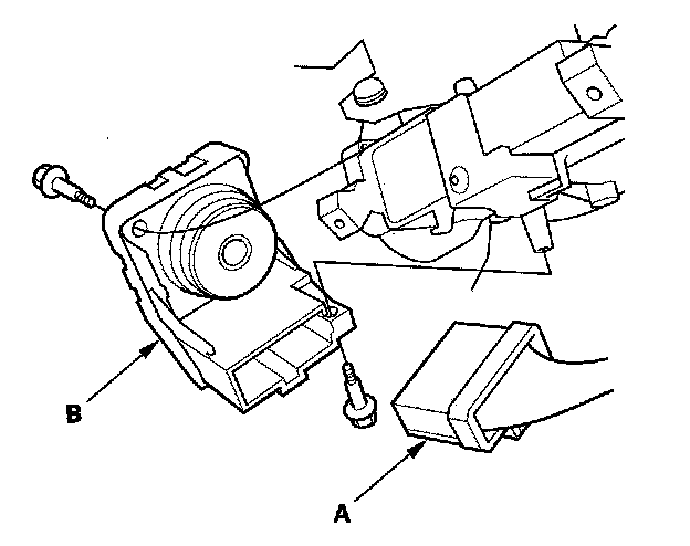
4. Disconnect the 7P connector (A) from the ignition switch (B).
5. Remove the two screws and the ignition switch.
6. Install in the reverse order of removal.
7. After reconnecting the battery, enter the anti-theft code for the audio or the navigation system, then enter the client's audio presets, and set the clock.