FREE REPAIR MANUALS & LABOR GUIDES 1982-2013 Vehicles
Courtesy of Operation CHARM: Car repair manuals for everyone.

System Specifications



Crankshaft Pulley





Tighten the crankshaft pulley bolt. Do not use an impact wrench.
^ 1 Hold the pulley with the holder handle (A) and pulley holder attachment (B), then tighten the bolt to 37 Nm (3.8 kgf-m, 27 ft. lbs.) with a torque wrench and a heavy duty 19 mm socket (C). If the pulley bolt or crankshaft are new, tighten the bolt to 177 Nm (18.0 kgf-m, 130 ft. lbs.), then remove the bolt and tighten it to 37 Nm (3.8 kgf-m, 27 ft. lbs.).
^ 2 Mark the bolt head (D) and the crankshaft pulley (E) as shown, then tighten the bolt an additional 90° (The mark on the bolt head line up with the mark on the crankshaft pulley).


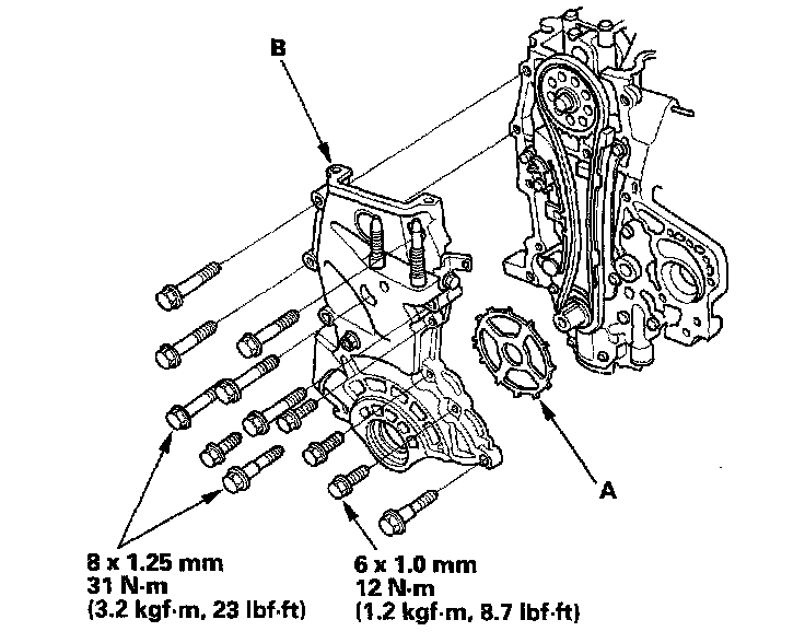
Chain Case






Cam Chain Tensioner