FREE REPAIR MANUALS & LABOR GUIDES 1982-2013 Vehicles
Courtesy of Operation CHARM: Car repair manuals for everyone.

Tightening Torques and Sequences

Cylinder head





If either diameter is less than 10.6 mm (0.42 inch), replace the cylinder head bolt.
Tighten the cylinder head bolts in sequence 29 Nm (3.0 kgf-m, 22 ft. lbs.)
Tighten all cylinder head bolts an additional 130°


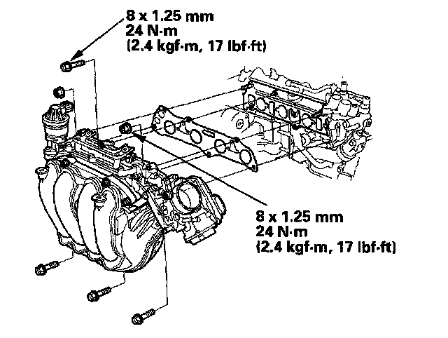
Intake Manifold





Install the intake manifold assembly (A) and tighten the bolts/nuts in a crisscross pattern in two or three steps, beginning with the inner bolt. Use a new gasket (B).


Camshaft Bearing Cap
4. Apply new engine oil to the bolt threads and flange. Tighten each bolt two turns at a time in sequence.







Crankshaft Main Bearing Cap





Tighten the bearing cap bolts in sequence 25 Nm (2.5 kgf-m, 18 ft. lbs.)
Tighten the bearing cap bolts an additional 40°


Connecting rod
Tighten the connecting rod bolts 9.8 Nm (1.0 kgf-m, 7.2 ft. lbs.)
Tighten the connecting rod bolts an additional 90°


Crankshaft Pulley
Tighten the bolt 37 Nm (3.8 kgf-m, 27 ft. lbs.)
Use a torque wrench and a heavy duty 19 mm socket (C).
If the pulley bolt or crankshaft are new, tighten the bolt 177 Nm (18.0 kgf-m, 130 ft. lbs.)
Then remove the bolt and tighten it 37 Nm (3.8 kgf-m, 27 ft. lbs.)





2 Mark the bolt head (D) and the crankshaft pulley (E) as shown, then tighten the bolt an additional 90°


Oil Pump






Water Pump