FREE REPAIR MANUALS & LABOR GUIDES 1982-2013 Vehicles
Courtesy of Operation CHARM: Car repair manuals for everyone.

Power Control Unit (PCU) Removal/Installation

Power Control Unit (PCU) Removal/Installation

NOTE: Put on gloves to protect your hands from electrical shock.

IMA components are located in this area. The IMA is a high-voltage system. You must be familiar with the IMA system before working on or around it. Make sure you have read the IMA service precautions before doing repairs or service.

1. Remove the BCM module.
2. Remove the DC-DC converter.
3. Remove the A/C compressor driver.




4. Lift the IPU wire harness (A).




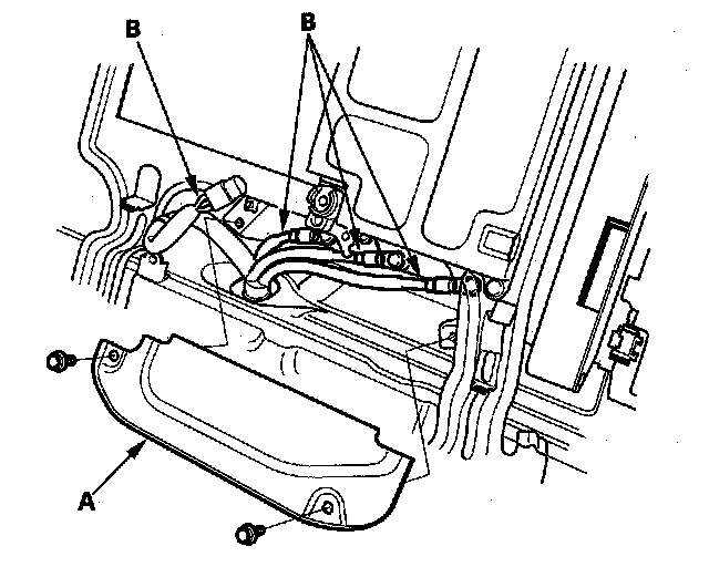
5. Remove the PCU cover (A).
6. Remove the motor power cables (B) and wrap them with insulating tape.

NOTE: Check the position of the U phase, V phase, and W phase cables before disconnecting the motor power cables.




7. Remove the bolts (A), and the PCU (B).
8. Install the parts in the reverse order of removal.
9. Do the motor rotor position calibration procedure.