FREE REPAIR MANUALS & LABOR GUIDES 1982-2013 Vehicles
Courtesy of Operation CHARM: Car repair manuals for everyone.

Overhaul

IPU Case Removal/Installation

NOTE: Put on gloves to protect your hands from electrical shock.

IMA components are located in this area. The IMA is a high-voltage system. You must be familiar with the IMA system before working on or around it. Make sure you have read the IMA service precautions before doing repairs or service.

1. Remove the PCU assembly.
2. Remove the IPU module fan.
3. Remove the IPU module air duct.
4. Remove the battery module.




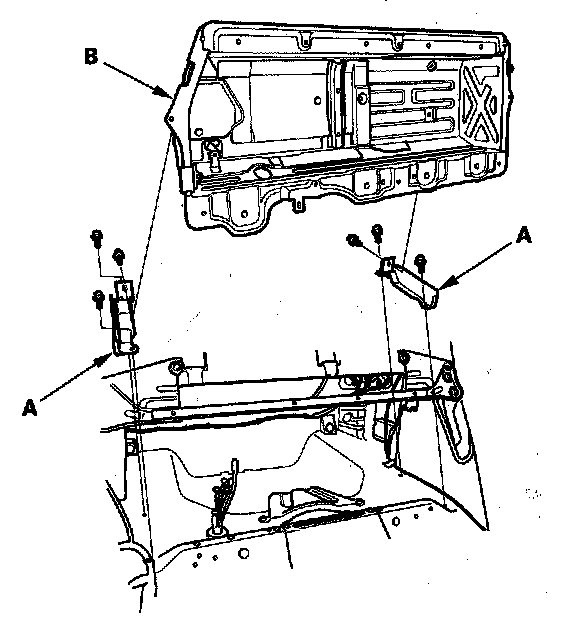
5. Remove the brackets (A).
6. Remove the IPU case (B).
7. Install the parts in the reverse order of removal.