FREE REPAIR MANUALS & LABOR GUIDES 1982-2013 Vehicles
Courtesy of Operation CHARM
:
Car repair manuals for everyone.
Home
>>
Honda
>>
2007
>>
Civic L4-1.3L Hybrid
>>
Repair and Diagnosis
>>
Diagrams
>>
Exploded Views
>>
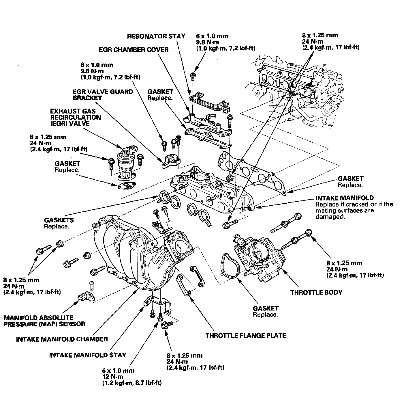
Intake Manifold
Intake Manifold
Intake Manifold: