Control Module Circuit Diagrams / ECM/PCM Circuit Diagrams
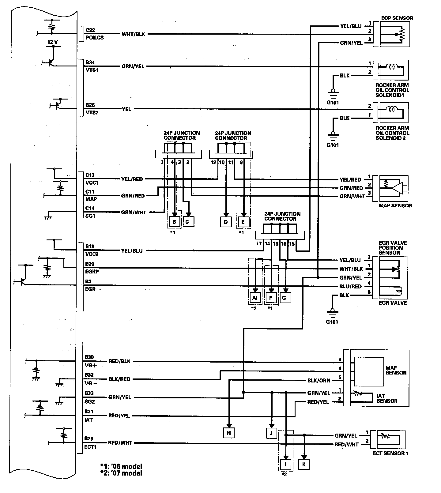
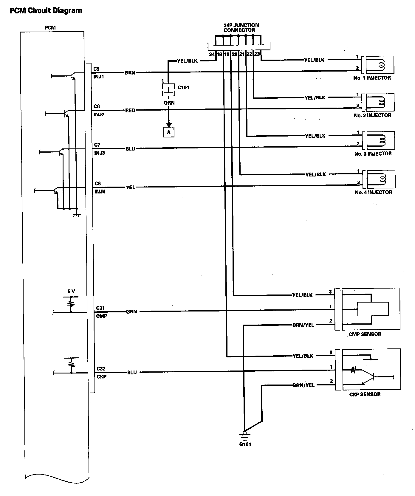
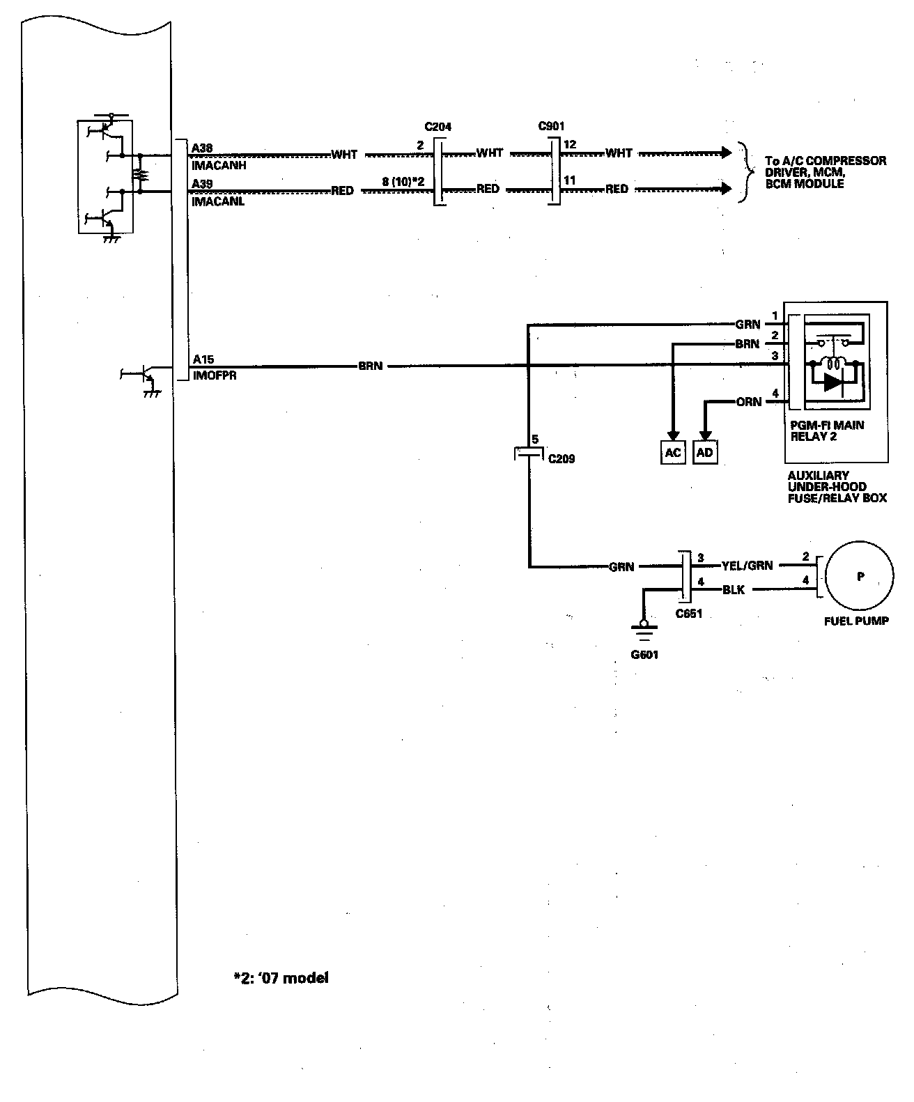
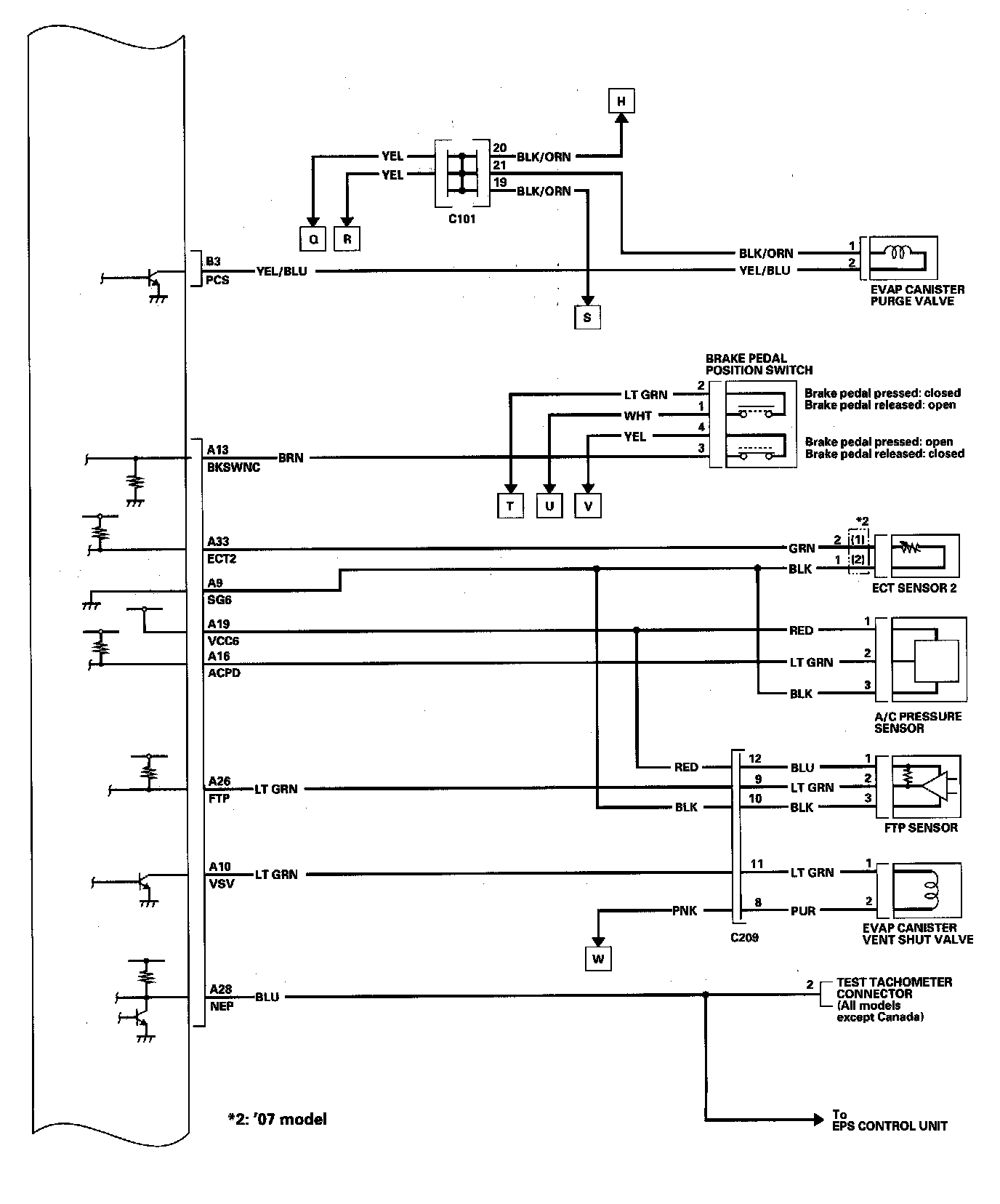
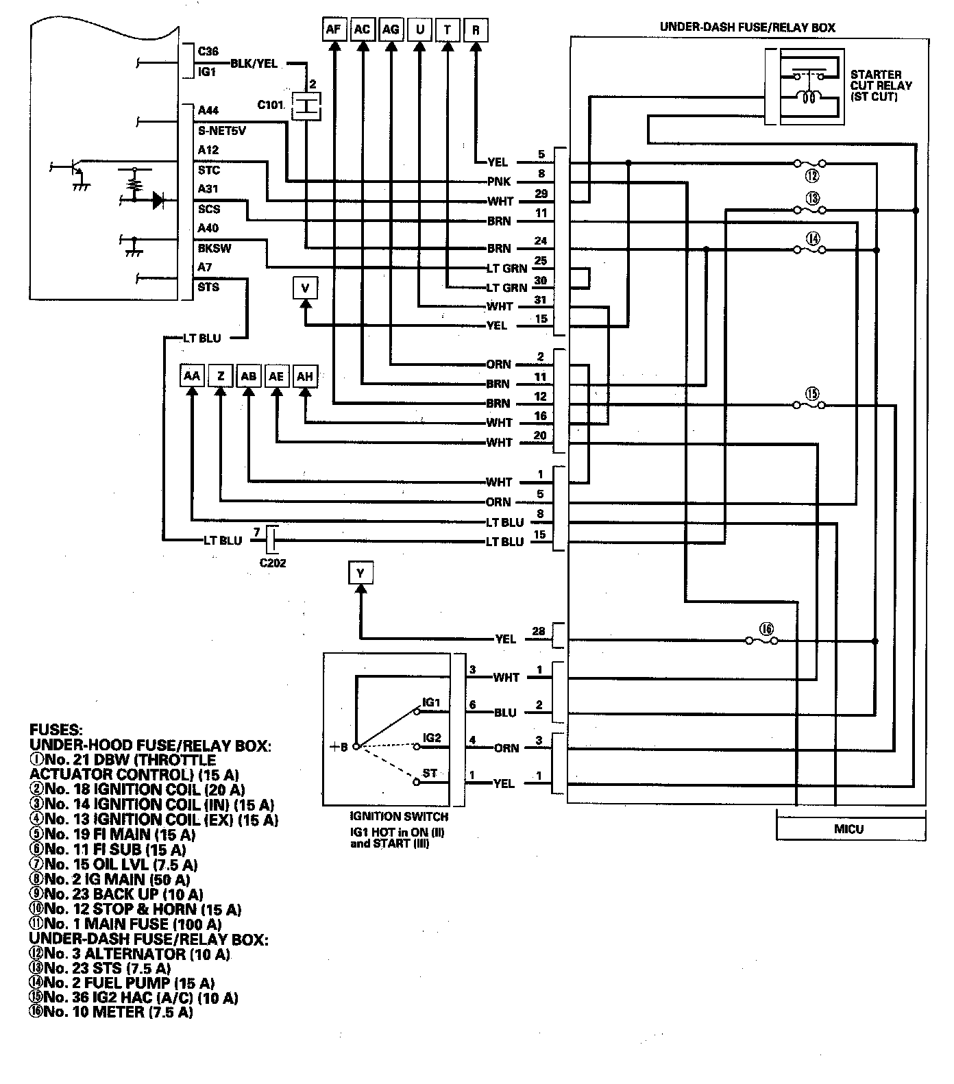
PCM Circuit Diagram Part 1:
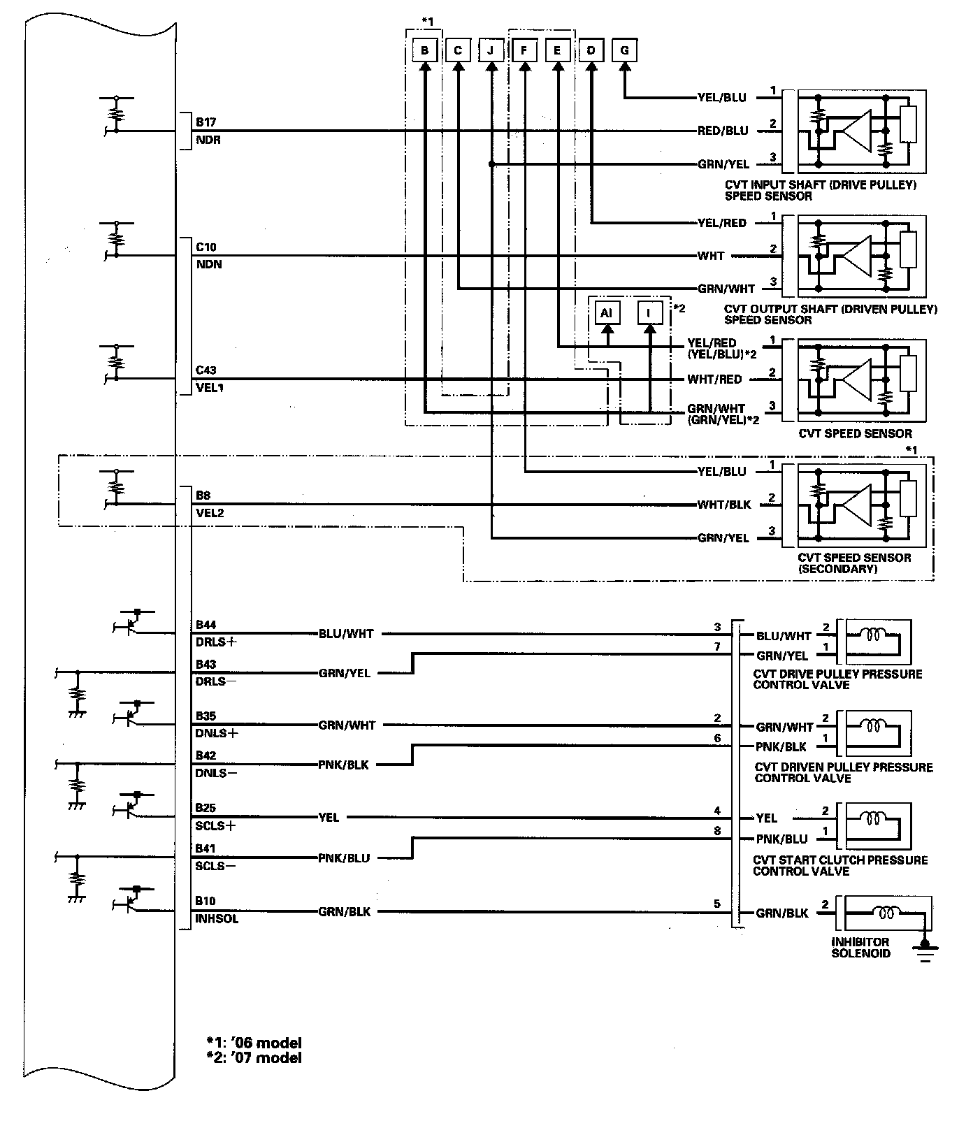
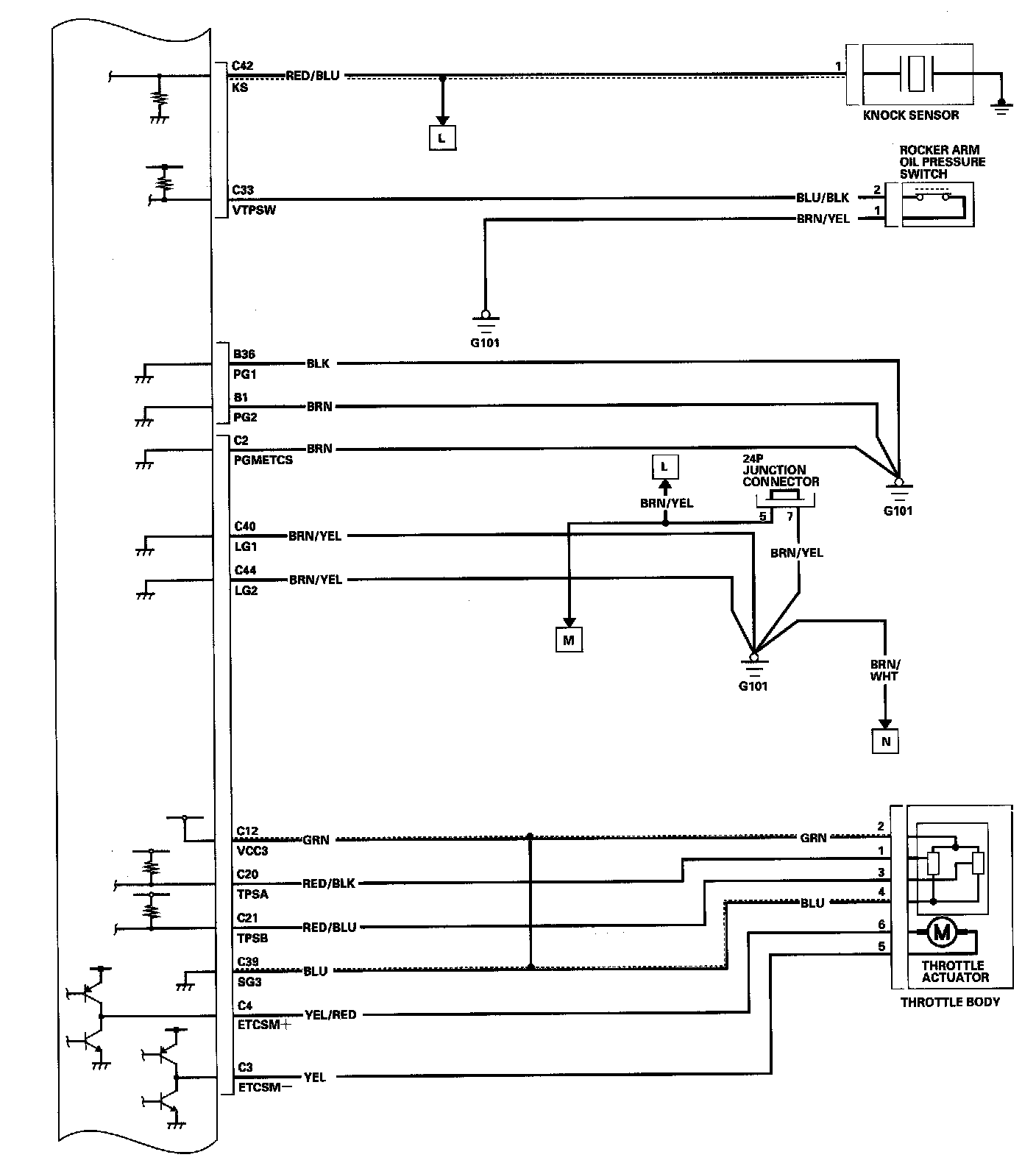
PCM Circuit Diagram Part 2:
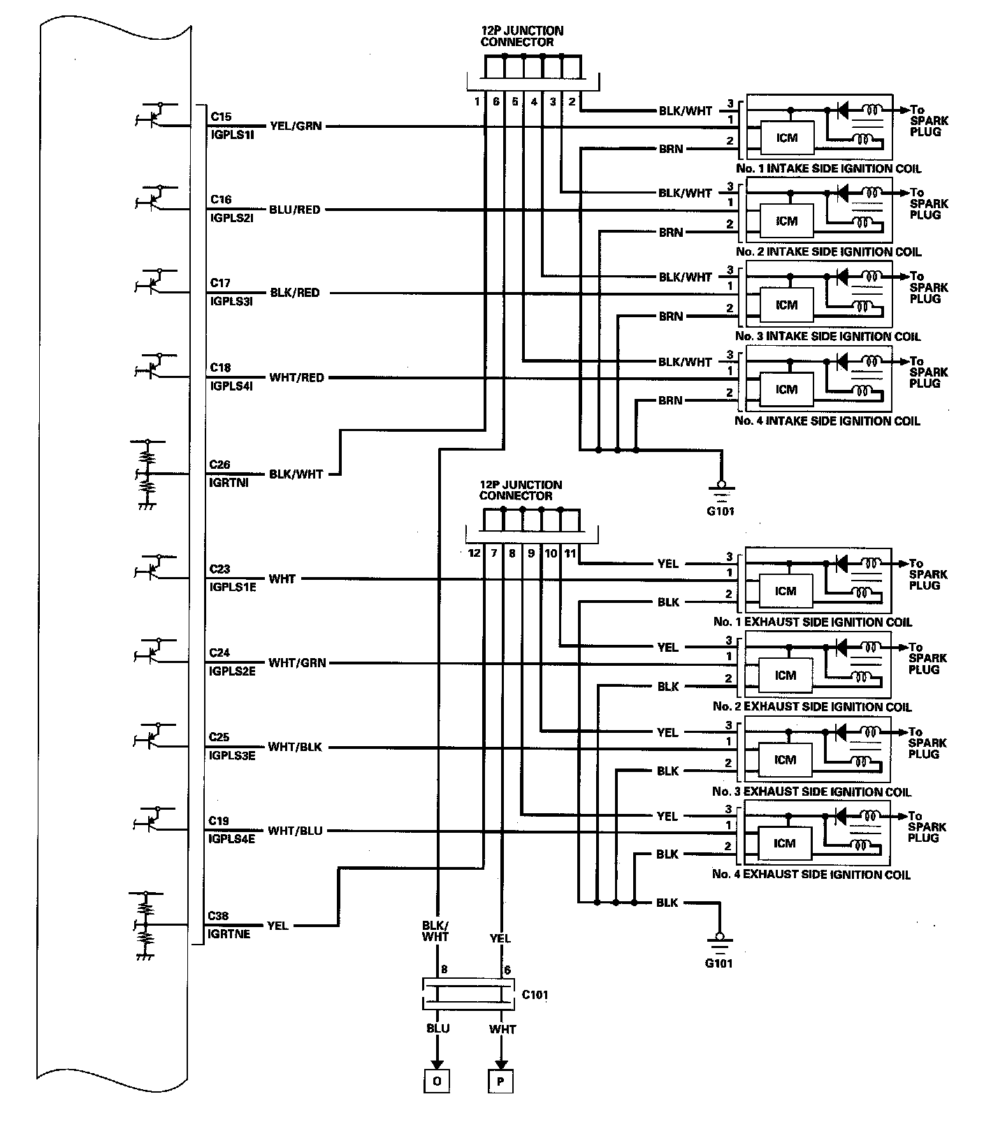
PCM Circuit Diagram Part 3:
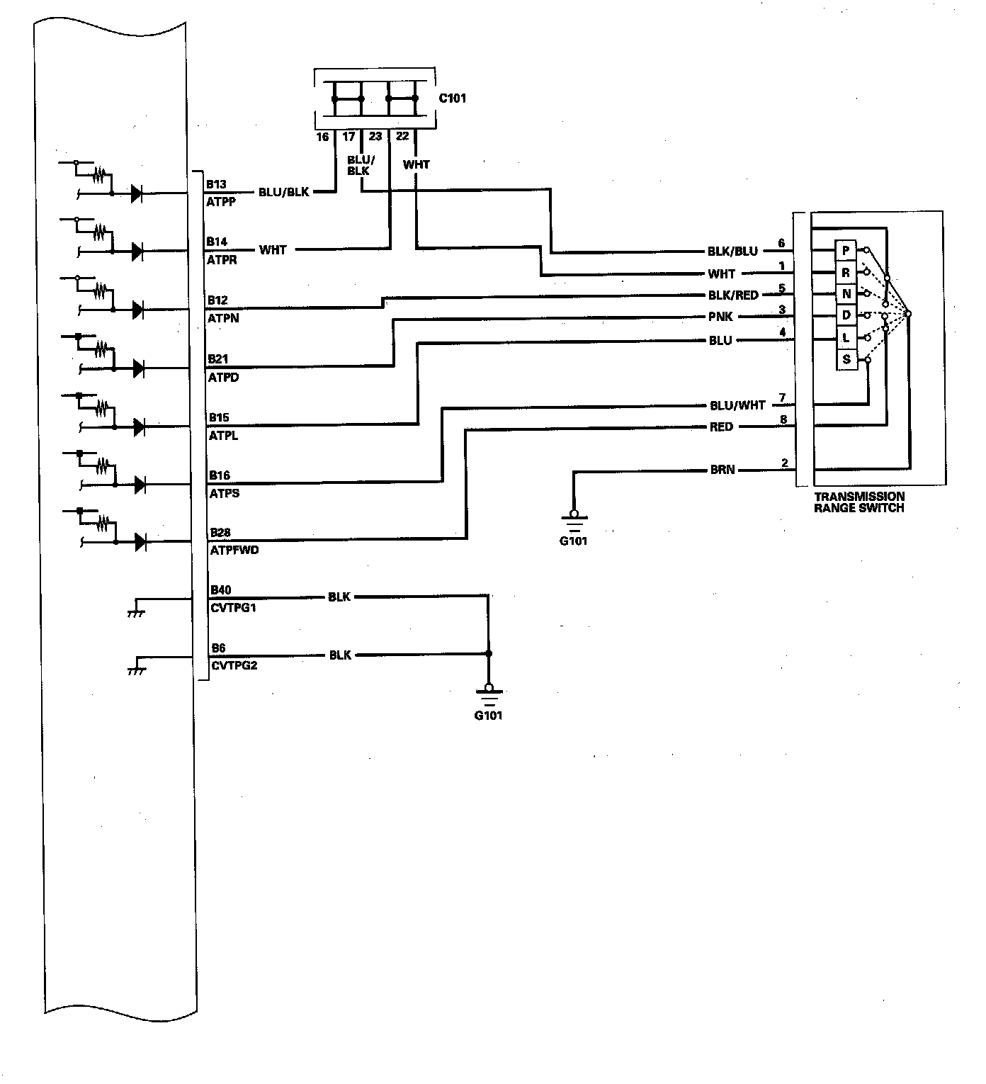
PCM Circuit Diagram Part 4:
PCM Circuit Diagram Part 5:
PCM Circuit Diagram Part 6:
PCM Circuit Diagram Part 7:
PCM Circuit Diagram Part 8:
PCM Circuit Diagram Part 9:
PCM Circuit Diagram Part 10:
PCM Circuit Diagram Part 11:
PCM Circuit Diagram Part 12: